Beiträge von beaver

    Habe etwas Bildmaterial aufgenommen.


    Als erstes:
    Selbstgelötetes Steuerteil auf der Basis des Simson-Steuerteils ohne Verstellung.
    Ab ca. 2200 1/min wandert der Zündzeitpunkt.



    Verursacher wird hier die Gateschaltung sein.


    Als zweites noch ein ganz normales Nachbausteuerteil.
    Gelb ist hier die Geberspannung.
    n=2000 1/min


    Das zündet schon eher wo es soll. Die Ladespannung (roter Verlauf) hab ich in der 2. Periode mal nachgezeichnet (blau), dann erkennt man besser den Verlauf.
    Worauf ich mir noch keinen Reim machen kann, sind die Einbrüche. Es scheint als wäre die Kurzschlusswicklung verantwortlich, aber es fehlt der 3. "Kurzschluss" in der Periode.
    Im ersten "Kurzschluss" zündet auch noch der Thyristor.
    Und im oben verwendeten Steuerteil fehlen diese Kurzschlüsse, obwohl es die gleiche Zündung ist.
    Mir scheint auch, als würde im zweiten "Kurzschluss" nochmal gezündet. Nun kann ich aber nicht im Steuerteil messen, da vergossen.
    Ggf. werde ich also ein normales Steuerteil nachlöten und messen. Evtl. liegt die Ursache gar nicht in der Kurzschlusswicklung.


    Man sieht hier auch, eine Spannungsbegrenzung auf zB 400V ist im intakten Betrieb nicht notwendig. Da werden keine 300V erreicht.
    ABER! wie man auf Seite 1 sieht steigt die Leerlaufspannung viel höher an.
    Ist also irgendwo ein Wackler in der Verkabelung, ggf. zur Zündspule, dann schießt es mitunter das Steuerteil durch.


    So far...

    Das haben einige ältere Zündungen.
    Abdeckungen aus Kupfer um die Spulen in unterschiedlichen Stärken und Größen.
    In moderner Literatur finde ich wenig bis garnichts darüber. Daher meine Vermutung:
    Die Dämpfungsschleifen sind zur Feldschwächung, indem sie Wirbelströme erzeugen (denn genau das passiert in massiven Metallen eines bewegenden Magnetfeldes).
    Damit wird die Durchflutung des Eisenkernes geringer und die induzierter Spannung in der Spule kleiner.
    Der Nachteil: Es entsteht Wärme (wir merken: einer unserer Hauptfeinde in der Spulendimensionierung)
    Der Vorteil: "einfache" Anpassung von Spulen an Magnetfelder. Anstatt die Spulen(geometrie) oder das Magnetfeld zu ändern, wird das überflüssige Magnetfeld verheizt.
    Keine elegante Methode, aber für damals anscheinend ausreichend. Einfacher als andere Magnetwerkstoffe zu nutzen bzw. die Schwankungen in der Fertigung auszugleichen?
    Heute kostet Halbleiterei nichts mehr und die Fertigungsqualität ist um Welten besser, daher ist das wohl eine ausgestorbene Technik. Genau wie Spulenwickler. Das wurde früher von Hand gemacht. So einen bräuchten wir hier, der würde sich krümmen wie wir über simple A**logtechnik rätseln ?(


    EDIT:
    Wenn dir langweilig ist, kannst du mal selbst eine Kurzschlusswicklung an einer defekten Spule ausprobieren.
    Einfach ca. 1mm starken Lackspulendraht ca. 10 - 15 Windungen um die Spule wickeln (in der Mitte ist genug Platz, damit das Polrad nicht schleift - natürlich ohne Kontakt zur Lötfahne; und links und rechts auf das Blechpaket löten. Und messen was raus kommt.
    Den Spulenkörper links und rechts mit zB Eisensäge etwas einschlitzen, damit der Draht geklemmt/geführt ist.


    interessant wäre auch mal zu wissen, welche Ströme in einer funktionierenden Schaltung zw. ZL-Spule und Steuerteil fließen.
    Dann hätte man einen Anhaltspunkt, wie hoch die ZL-Spule durch den "Ableiter" belastet werden muss...


    Das kann man aus dem Oszillogramm ablesen und ausrechnen.
    Im Bild:
    http://www.directupload.net/file/d/4125/4x6xc6re_jpg.htm
    hat die erste positive Welle ca. 12ms, in der halben Zeit steigt die Spannung, in der 2. fällt sie, also 6ms jeweils.


    Für einen Kondensator gilt:
    i=C*du/dt
    =1uF*240V/(6ms)=10^-6F * 240V/(6*10^-3s)=40*10^-3FV/s=40mA.
    Da in der ersten positiven Welle der Spannungsanstieg maximal ist, weil der Kondensator noch ungeladen ist, ist das der maximale Strom (im Mittel).


    Hab' heute mal ein Polrad angeschaut, ein Magnet neben der Lücke ist tatsächlich stärker magnetisiert, das merkt man deutlich von Hand, wenn man mit einem Schraubenschlüssel etc. die Magnete abtastet.


    150Ω Für den Lastwiderstand sind deutlich zu klein, damit fließt ein viel zu hoher Strom und die Wärmeentwicklung wird zu hoch. Oder man nimmt einen Leistungswiderstand, aber das ist nicht Sinn der Sache.
    In modernen CDIs sind diese Lastwiderstände für die negative Halbwelle im 5-stelligen Ohm-Bereich.
    Man kann sicher mit einem 2W-Widerstand noch kleiner gehen, möglicherweise 10k oder gar 1k, muss man dann einfach testen, wie warm es wird.
    Der Vorteil von einem möglichst hohem Lastwiderstand und daraus resultierend kleinem Stromfluss ist auch die geringe thermische Erwärmung der Spule.


    Was mir auch noch aufgefallen ist:
    Die Ladespule hier:
    http://www.directupload.net/file/d/4125/ejqwuvrt_jpg.htm
    hat Kupferbleche auf dem Blechpaket als 90°-Profil und die wirken damit als Dämpfungsschleife.
    Eventuell hat man das unterschiedlich dimensioniert in Kombination mit der Kurzschlusswicklung :?:
    An der Kurzschlusswicklung lässt sich statisch nichts messen, da kann man nur mit dem Oszi ran und über die Dimensionierung erfährt man dann immer noch nichts.


    Denn die Spulen die ich mir angeschaut habe, haben nur flache Profile und die werden deutlich weniger vom Magnetfeld durchsetzt.

    Schau mal 3 Posts über deinem und klick auf mein Bild, da ist es eingezeichnet (sieht man in der Vorschau nicht).


    Z-Dioden lassen nur oberhalb der Durchbruchspannung durch, Thyristoren bleiben gezündet bis die Spannung gegen 0 geht.
    Man könnte auch Supressordioden nehmen, ich denke es gibt da verschiedenste Wege, das allereinfachste sind die Z-Dioden, günstiger wird es nicht.

    Zitat

    Dazu kommt das ich persönlich Skrupel habe, meine gebrauchten Chemikaien einfach in den Ausguss uns oder Natur zu kippen, daher fachgerecht Entsorgen bzw. Neutralisieren.


    Jo, da will ich auch nochmal kurz anmerken:
    Wenn ihr mit Chemie hantiert, erkundigt euch, wie ihr das Zeug wieder loswerdet und wie ihr es lagert, bis ihr es loswerdet.


    Einige Sachen kann man neutralisieren, andere Sachen müssen fachgerecht entsorgt werden.
    Kleine Mengen nimmt das Schadstoffmobil (kostenlos) an, bei größeren Mengen vorher nachfragen! Denn entgeltliche Entsorgung wird schnell teuer.

    Ja, man kann durch Reihenschaltung mit Z-Dioden beliebige Spannungswerte einstellen.
    Da auch nur die Spitzen der Wellen gekappt werden, sollte der Stromfluss durch die Z-Dioden und damit die thermische Belastung im Rahmen bleiben. Müsste man im Versuch testen, ob das so ausreicht.


    Danke für das Foto. Das ist eine Kurzschlusswicklung.
    Ich wunder mich nur, da meine E-Zündung das anscheinend nicht hatte.
    Sind knapp 600 1/min, damit die Spannungen im Rahmen bleiben (+250V max)


    Grundsätzlich muss man erstmal zwischen U- und E-Zündung trennen.
    Das sind 2 komplett verschiedene Zündungen, beide in einem Thema zu diskutieren führt zu großem Durcheinander.


    Bei der U-Zündung ist das Hauptproblem der Kondensator. Mit dessen Qualität steht und fällt die Zuverlässigkeit, siehe hier:
    Die blöde Unterbrecherzündung und der doofe Kondesator


    ______________________________________________________________


    E-Zündung


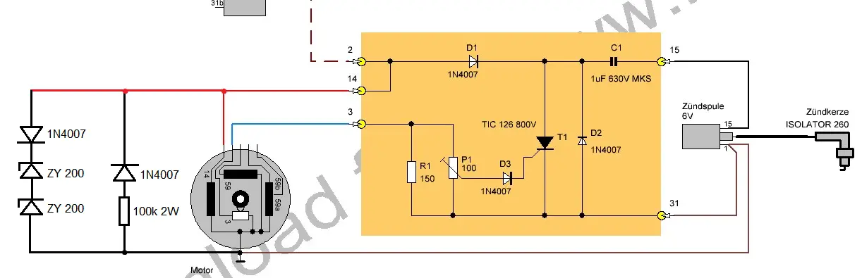
    Als erstes sollte wir die Funktion korrekt analysieren.
    Wie funktioniert das Steuerteil genau? Dafür hab ich mal eine professionelle Paint-Grafik erstellt:



    Die "Zündladespule" auf dem Stator erzeugt annähernd sinusförmung den Ladestrom mit positiver Halbwelle (rot) und negativer Halbwelle (blau gestrichelt).
    [mehrmals pro Umdrehung, aber für die Erklärung betrachten wir nur eine komplette Welle].
    In der positiven Richtung (rot; I1) fließt der Strom aus der Zündladespule (nach "oben" auf dem Bild), über D1 in C1 und lädt den Kondensator C1, über die Zündspule wird der Kreis geschlossen.


    Jetzt kommt das Problem:
    In der negativen Halbwelle würde der Strom I2sperr gern in entgegengesetzter Richtung fließen.
    Zurück durch die Zündspule, durch C1 und dann kommt D1: Diode in Sperrrichtung. Es geht nicht weiter. Auch über keinen anderen Pfad.
    Der Strom der negativen Halbwelle kann nicht fließen, deswegen auch die blaue Kurve gestrichelt.
    Das ist auch eines der Hauptprobleme des Simson-Steuerteils.
    Fließt kein Strom, werden durch die Zündladespule (auf dem Stator) sehr hohe Spannungen erzeugt. Das ist problematisch.


    Was könnte man tun?
    Man sorgt dafür, dass I2, also der Strom der negativen Halbwelle, fließen kann.
    Im einfachsten Fall mit einer Diode und einem hochohmigen Widerstand.
    Damit kann der Strom der negativen Halbwelle I2neu fließen und die Spannungsspitzen fallen weg.
    Die Diode sperrt I1, sodass der in gewohnter Art und Weise den Kondensator C1 lädt.


    Übrigens ist es auch wichtig, dass immer eine Zündspule angeschlossen ist, sobald man in den Kickstarter tritt.
    Ansonsten bauen sich auch über die positive Halbwelle gefährliche Spannungsspitzen im Steuerteil auf, die dann irgendwo durchschlagen könnten.



    Die Neuzylinder verziehen sich aber mehr, sodass das mit der 49,00er Bohrung vollkommen in Ordnung geht.
    Um die 4/100 ist da bei 85ccm und etwas mehr Leistung einfach zu wenig im Neuzustand.

    Ich hatte mal wieder etwas Zeit und Lust, um mir endlich mal einen 85er zu basteln.
    Grundlage sollte ein solides Zweikanalkonzept, wenig Drehzahl und ein breites Band sein.


    Betrieben wird der ganze Spaß mit Vape, 20er BVF (HD90), Luftfilterumbau relativ seriennah (originales Blech drin, S83-Patrone mit Vlies, 16er Zusatzrohr im Herzkasten), AOA3 und Italkit-2-Ring Kolben.


    Knackpunkt sind immer die Überströmer, da müssen ganz schöne Höhlen gegraben werden, damit bei der Breite eine gescheite Form zustande kommt. Mit Winkelfräser und etwas Zeit ist das aber gut machbar.


    Rot war der erste Versuch, war mir dann aber doch zu drehzahlunfreundlich. Drehzahl hoch und Drehmoment konstant ist aber sehr schwierig, sodass beim nachfräsen die blaue Kurve rauskam.
    Also wurde der Fräser nochmals angesetzt, sodass mittlerweile die grüne Kurve steht. Damit bin ich erstmal zu frieden.
    In der Stadt kann man gut im 5. Gang fahren, und Überland geht es auch flüssig im Verkehr vorwärts.


    (PS: Bitte keine Anfragen, ob ich so was bauen kann, dafür fehlt mir die Zeit).

    Letztendlich bist du mit dem Zylinder der einen Einteiligen Auslass hat, an die Leistung des Zylinders mit Na's rangekommen. Richtig?


    Genau.
    Nachdem ich aber an dem NA-Zylinder nochmal gefräst habe, ist nochmal deutlich mehr Leistung gekommen.
    Wobei ich aber am Zylinder ohne NA auch nochmal hätte weiter fräsen können - aber irgendwann ist auch mal die Zeit alle.



    Frequenzumrichter gibt es manchmal günstig bei ebay. Da hab ich auch schon 2 geschossen.