der erste Sperber lag seit 2004 (Kiste Bier teuer) zerlegt - aber schon z.T. lackiert - rum. Dezember letzten Jahres hat es mich gepackt und ich habe mit dem wieder angefangen. Im August war Termin zur HU und Eintragung Lenker+Adapter. In dem Zuge wurde die HU beim zweiten Sperber (2014 gekauft) gleich frisch gemacht und beide angemeldet - beide mit SR43 Kürzel am Kennzeichen
Der Star kam letzten Jahr zu Weihnachten (22.12.), wenn man Geschenke in der Familie schon abschafft, macht man sich selbst welche.
Der war aber ziemlich rum, fährt aber nun mit dem M541 recht brauchbar. Originaler M53 ist ne Katatstrophe... ![]()
Der ZT Zylinder war okay, aber der DDR Zylinder scheint wirklich nicht zu toppen zu sein.
Beiträge von warhawk
-
-
erfolgte Änderung: der ZT Zylinder ist wieder runter gekommen. Statt dessen ist mir ein DDR Zylinder mit Barikit Kolben in die Finger gekommen.
Fazit: nie wieder was anderes! Das läuft absolut geschmeidig. Unverständlich, dass man noch nach Originalkolben giert....?(
Anbei der letzte Stand vom letzten Mal Grünschnitt fortschaffen mit der S51. Das Moped ist erstmal in den Dornröschenschlaf versetzt und steht in der Garage mittlerweile weit hinten. Zwei Sperber wollen bewegt werden, für den Grünschnitt hält nun ein Star her. -
So ist es. Ich habe einen Hänger mit Holzbau und einen mit leichteren Kunststoffplatten. Letzterer läuft ruhiger.
Sieht aber ansonsten sehr edel aus. Wie hast du die Blinkerhalter realisiert?
-
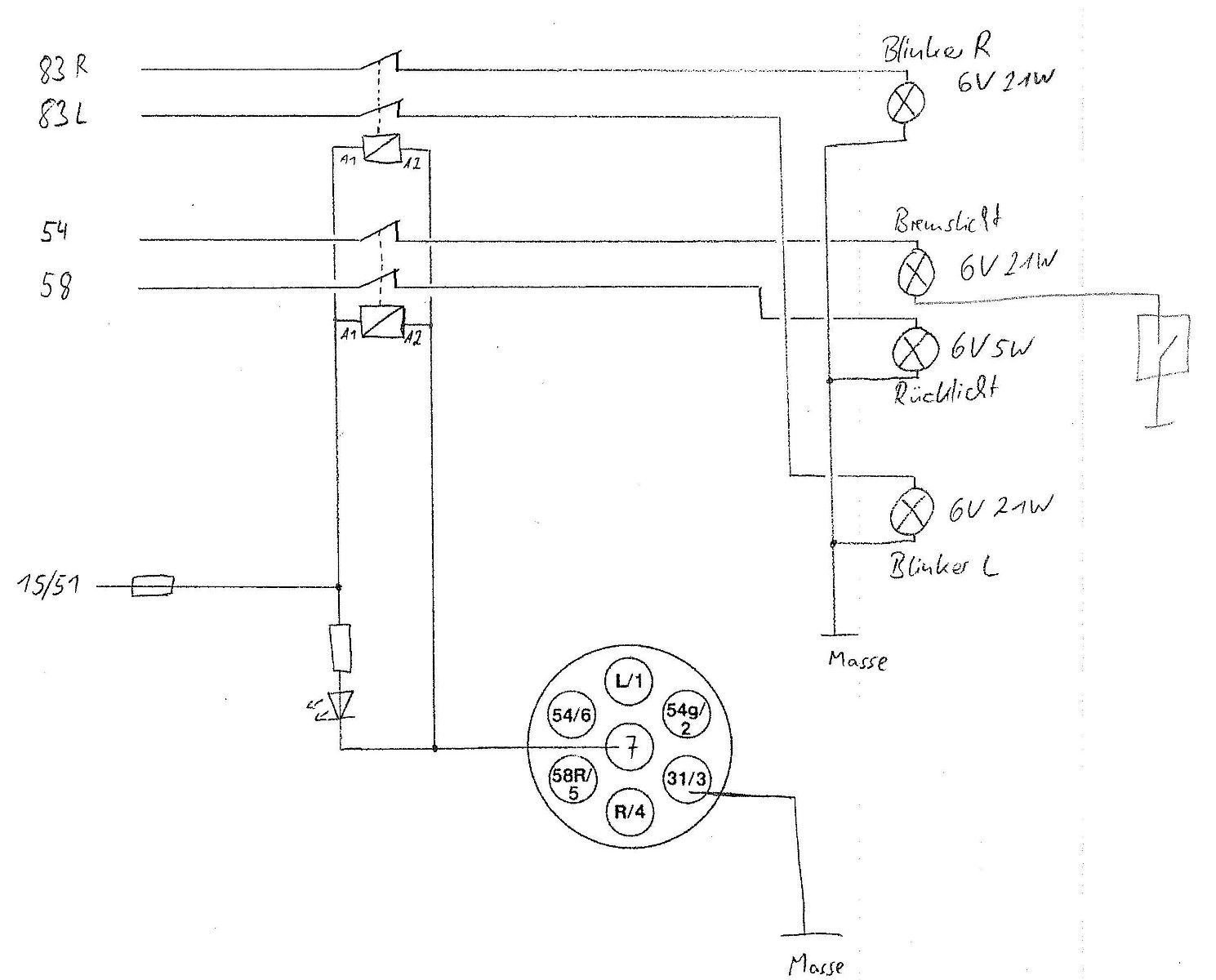
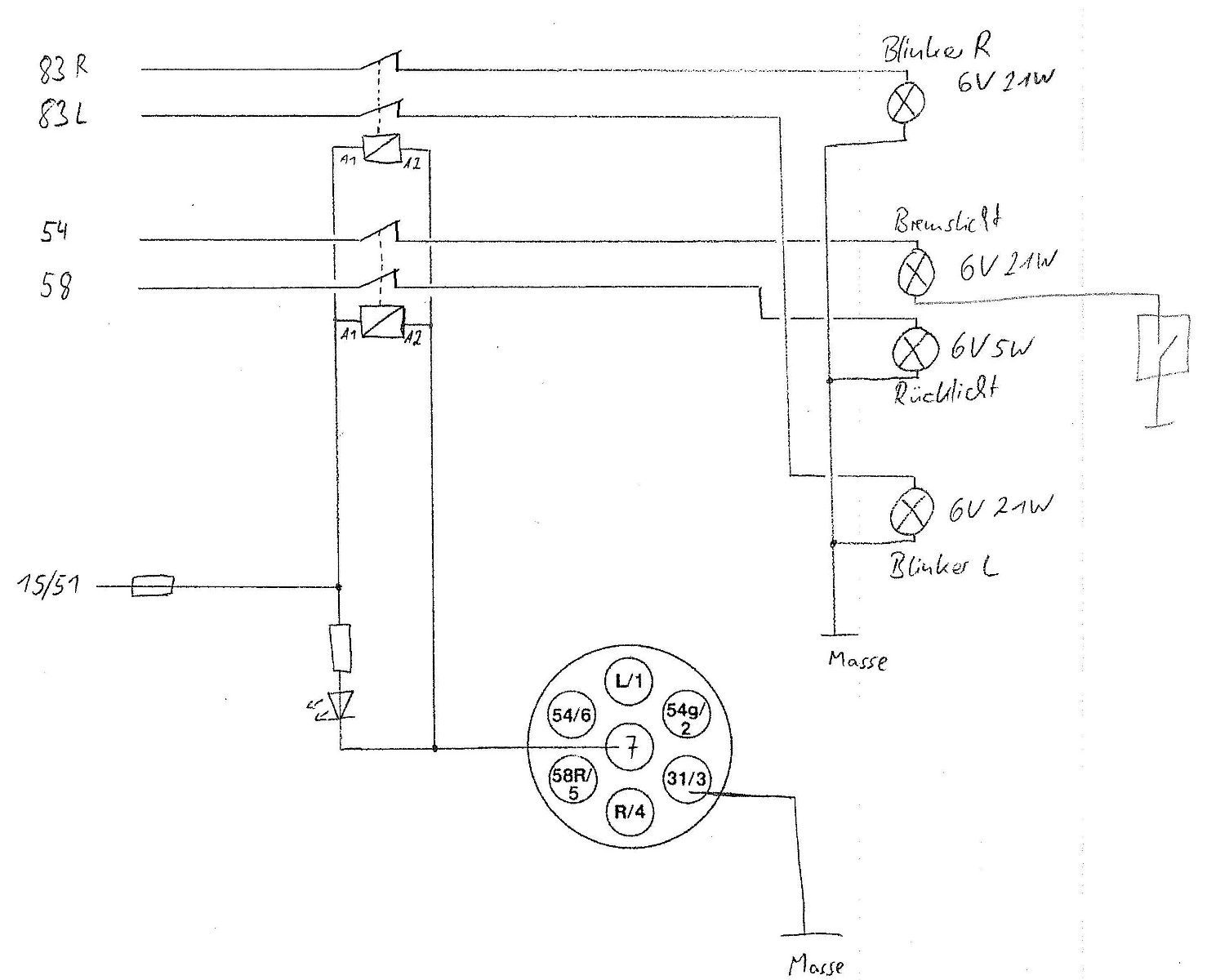
Ein Relais mit 4 Kontakten dürfte zu groß fürs Rücklicht sein.
Ich habe mir eine Platine mit den Relais und 6,3er Anschlusskontakten gelötet. Die sitzt im Herzkasten, von dort geht je ein Kabelstrang zur Dose und zum Rücklicht. Im Strang zur Dose ist die Ansteuerleitung zwischen Dose und Relais gleich mit drin. -
Ich hab einen Bock geschossen! Die Relaiskontakte habe ich als Schließer eingezeichnet, sollten aber Öffner sein!
Ja, die eingezeichneten Leuchten gehören zum Moped. Die vom Hänger sind ja die die an der Dose hängen.
Im "Normalzustand", also wenn kein Anhänger dran hängt, sind beide Relais abgefallen und der Öffnerkontakt geschlossen = Beleuchtung am Mopedheck an.
Sobald der Stecker eingesteckt wird, ziehen die Relais an und unterbrechen die Spannung zum Mopedheck.
Ich habe zwei zweipolige Relais genommen, weil einfach beschaffbar. Grundsätzlich gibt's auch 4-polige Relais...aber ob das dann billiger ist, sei mal dahin gestellt.
Ich passe die Skizze nachher an...
Edit: Skizze geändert. -
Schau mal ob das was für dich ist:
https://www.simsonforum.de/wbb…t/24480-Abschaltung2-jpg/
...zeigt nicht die komplette Belegung der Dose aber die Relaisbeschaltung.
damit wird eine 4-polige Abschaltung des Fahrzeughecks möglich. Mit einer Dose und ohne Schalter.
Masse der Blinker ist die selbe wie die des Rücklicht.Ich hatte mir dazu auch mal meine Gedanken gemacht. Eigentlich müsste eine Steckdose mit zwei abschaltbaren Kontakten ausreichen.
Einmal um die Masse/Leiter für das Bremslicht zu trennen und einer um die Masse für Blinker und Rückleuchte zu trennen.Jedoch sind dann zusätzliche Kabel notwendig wenn ich mich nicht täusche, da die Masse ja über den Rahmen bewerkstelligt wird.
Ich bin jedoch kein Elektriker. Wer es besser weiß möge mich korrigieren.
Das wird eher zu einem Masseproblem führen.
-
Genau, von Klemme 15/51 kommend habe ich eine Sicherung gesetzt. Vor der LED sitzt dann der entsprechende Widerstand, der Wert richtet sich nach LED und der Batteriespannung (6V / 12V). Die Relais sind ebenfalls von der Batteriespannung abhängig.
-
Das hoffe ich doch...
Hab ich so schon in zwei Mopeds verbaut. Für die zweipoligen Dosen bin ich auch zu geizig... -
so sieht der Stuhl nun aus. Die Farbe war auf meiner ersten S50...bevor ich es hab lackieren lassen. Heute ärgere ich mich darüber, aber mit 16 sieht man das alles etwas anders. Nicht zu ändern...aber daher gabs die nun (ähnlich) wieder.
Dazu hab ich mal die Abschaltung meiner Heckbeleuchtung angehangen, wen es interessiert. Es ist übrigens wirklich eine Abschaltung, keine Umschaltung. Ich schalte nur die Beleuchtung zum Mopedheck ab und nicht auf die Dose um. Die Spannungen zur Dose liegen immer an. Das machts für eine eventuelle Fehlersuche (messen) einfacher und wenn der Stecker vom Hänger nicht eingesteckt ist, wird eh keine Last gezogen.
Im Stecker des Hängers muss die reinkommende Masse auf Pin7 gebrückt werden. Das Einstecken des Hängers schließt den Stromkreis zu den Relais und bewirkt die Abschaltung der Heckleuchten sobald der Zündschlüssel auf 1 oder 2 gestellt wird. Die Kontroll-LED ist optional.Edit: Schaltskizze ersetzt.
-
Tach zusammen!
Bevor es zu meinem Moped geht, kurz etwas zu mir (wen´s nicht interessiert, überließt die nächsten 6 Zeilen
)
-Martin
-vor 31 in der Hauptstadt der DDR geboren, seit 30 Jahren lebe ich aber in Thüringen
-gelernter Elektroniker
-Interessen: meine Mopeds, mein Auto, Modellbahn und meine hübschere Hälfte
-Abneigung: Facebook und wie der ganze Quatsch heißt
...mehr gibts zu mir glaube ich nicht.zu meiner Maschine:
Bild 1:2005 habe ich das Teil im ziemlich erbärmlichen Zustand bekommen, ohne Motor, dafür mit verdelltem Tank (nachdem es mein Vorbesitzer im originalem aber aufarbeitungswürdigem Zustand bekam).
Da es zu dem Zeitpunkt mein reines Alltags- & Schlechtwettermoped werden sollte, wurde nur fix mattschwarz drüber geduscht, mein S50 Motor verbaut der noch rumlag und die nötigsten technischen Dinge in Schuss gebracht. Da mir die 6V Blinkanlage schon immer zu dunkel war, hab ich diese auf 12V umgerüstet, wegen der U-Zündung hab ich den Akku aber immer übers Ladegerät geladen (recht trotzdem über ein halbes Jahr). Später kam ein M541 inkl. nem Billig-60/2 (der lief trotzdem bis 2014).Bild 2/3: 2014 hab ich das Moped zerlegt, Rahmenteile lackiert - zum Glück nicht wie geplant in neongrün, sondern ganz ausgefallen....schwarz. Die Entscheidung war für später goldrichtig.
Tank und Seitenteile wurden "zum Übergang" nochmal mit mattschwarz übergeduscht, in dem Wissen, dass ein Blechsatz in Ral 9011 mal den Weg ans Moped finden wird. Naben kamen schwarz, Edelspeichen und die Felgen wurden wie der flache Tommaselli, Lampenring, Hitzeschutz und Federn in neongrün lackiert.
Der Motor wurde überholt und ein LT S51 Sport montiert. Geht richtig gut, aber irgendwann kommt doch etwas, was untenrum besser geht...
Elektrik habe ich mir selbst gestrickt, mit kleinen Features: LED-Stripe überm Motor (falls man mal im Dunkeln liegen bleibt [bisher unnötig
]), kein Zündschloss (Lichthupe wurde der Tottaster), Warnblinkanlage, die Ladespule speist eine USB Versorgung für die Gopro. Zusätzlich gabs noch nen Seitengepäckträger auf der linken Seite inkl. Tasche, praktisch für längere Touren.Bild 4: 2016 wollte ich was anderes. Die neongrünen Teile sind an meine S50 gewandert und wurden durch welche in Lichtblau ersetzt. Das Übergangsblechset ist zu dem Zeitpunkt immernoch montiert
Ein 50er Stage1 von ZT kam nun zum Einsatz. Geht untenrum auch besser als der LT, in Zukunft greife ich aber doch lieber wieder zu LT oder was Privatem. Ich stehe auf Kundenzufriedenheit.Bild 5/6: 2017/18 zum Wegschaffen vom Grünschnitt habe ich einen M1 Hänger angeschafft, folglich bekam das Moped eine AHZV, eine Steckdose ist zur Versorgung der Hängerelektrik montiert. Da im Moped nach wie vor die U-Zündung drin ist, werden über die Steckdose Rücklicht, Bremslicht und die Blinker am Moped abgeschaltet. Damit spare ich mir 2x die teuren 2-polig abschaltenden Dosen bzw. das Betätigen des Schalters wie beim SR50. Der flache Tommaselli wurde durch einen hohen ersetzt, ist auf langen Touren viel bequemer.
Die USB Versorgung kann ich mit einem Step-Up Wandler nun auch nutzen um die 12V Batteriespannung zu erhalten. Mit etwas über 500mA reicht das um die Batteriespannung zu erhalten.Mittlerweile hat sich das Bild erneut geändert. Der einfach schwarz gehaltene Rahmen hat sich nun schon zweimal als richtige Entscheidung erwiesen. Bilder folgen, sobald es fertig ist.