Zerleg den Vergaser bei der Gelegenheit und schau dass der Schwimmer ok und richtig eingestellt ist.
Und rest natrülich standard, sollte nicht versifft sein etc.
Wellendichtring wurde ja schon gesagt ....
Beiträge von BoondockDuckling
-
-
Was willst du überhaupt schweißen?
Bzw. dir ist klar dass du mit einem E-Schweissgerät keine Blecke schweißen kannst? -
warum sollte man Diesel in den Tank kippen???
geht das überhaupt problemlos durch den Vergaser?Nachtrag: Aha ... Google hilft.
Aber wer sich das bisschen Sprit nicht leisten will
... nunja macht doch was ihr wollt. -
Frag mal bei Mopedersatzteil.de an die haben noch!
Nur liefern genau die die MZA Kolben nach dem Schliff mit (siehe Oben).
Ich bin grade verwirrt ... Almot und MZA Kolben, sind das jetzt unterschiedliche oder verkauft MZA Almot Kolben?
-
Wo gibts denn noch original Megu Kolben mit übermaß?
Sonst ist die Diskussion ja eh hinfällig und man kommt nicht drum rum den MZA Kolben einzubauen. -
Ganz klares Nein! Der Kondensator hat die Funktion am Unterbrecher Kontaktfeuer zu verhindern und mit dem Lichtstromkreis rein garnix am Hut.
Nunja ... Letzendlich kommt aus der Lichtanlage ( bzw. Aus allen Spulen ) eine - irgendwie - geartete Wechselspannung heraus. Da die Beiden Spulen über Masse miteinander verbunden sind hat der Kondensatur definitiv eine Auswirkung.naja mal schauen ob das Problem erstmal behoben ist...
-
Moin
ich habe eine SR50-B4 mit 6V Unterbecherzündung und 12V Lichtstpule. (Die Lichtspule hat mal jemand getauscht).
Nachdem ich in letzter Zeit zunehmend eine schwankende Helligkeit der Scheinwerfer (Abblendlicht und Fernlicht) festgestellt habe, habe ich heute entdeckt dass mein (12V) Rücklicht einen ziemlich abgerannten Kontakt hatte. Der Gegenkontakt in der Lampenhalterung war auch etwas mitgenommen.Ich habe die Kontakte gereinigt und den Lampenkontakt wieder ordentlich verzinnt, frage mich aber nach der Ursache.
Kann das an dem Kondensator liegen?
Guß
Christoph -
Hi
nach langer Abstinenz habe ich mir wieder eine Simson zugelegt. Natürlich ist (wie so oft) verdacht auf ELBA defekt.
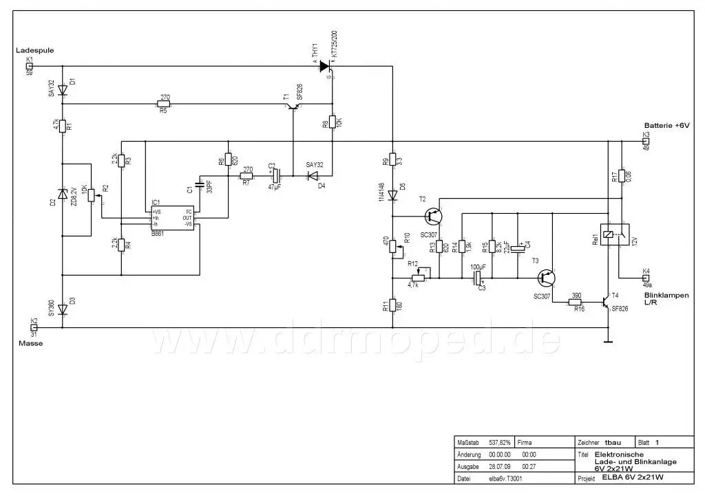
Ich habe mir die Schaltpläne der ELBA mal angeschaut. Sehe ich das richtig, dass eigetlich "nur" die Ladestrom der Ladespule an die Batterie(*) weitergeleitet wird wenn die Batteriespannung einen Schwellwert unterschreitet?
Den Blinkerteil ist soweit klar. Da wird etwas rumoszilliert, nichts was der gute nicht auch NE555 könnte ;-)...( es ist ja eh recht egal wie man nun das Relais dazu bringt ein und aus zu schalten).(* exakter: Klemme 49 und was halt da dran hängt und Strom zieht ... Batterie oder Licht)
Und noch zum Verständnis: Von den Spulen (also auch der Ladespule) kommt eine Wechselspannung? Also haben wir durch den Thyristor eine Einweggleichrichtung?
Auf den ersten Blick scheint das alles recht simpel. Deswegen überlege ich (irgendwann einmal) das nachzubauen.
Anbei mal der Plan für 6V udn 12V verlinkt. Sie sind nur auf den ersten Blick unterschiedlich. Mit der Ausnahme dass bei 12V anscheinend ein IC für die Zeitverzögerung der Blinker verwendet wird.
-
Zitat
Original von tacharo:
Vom Schwarzwald bis nach Norwegen? :a_augenruppel:naja die idee mit der Fart war ja net von mir.
Ok, ein kompletter Motor mitschleppen ist schon ziemlich heftig, aber andereseits hat man so eigentlich alle Möglichkeiten offen. Selbst Reifen und Ketten bekommt man auch in Vespaland. Unter Umständen halt teuer...
-
leute fahrt im sommer doch nicht an den gardasee ... da gibts nix ausser mücken und mücken und mücken und fliegen. Pfui ... ich hab den spaß selber schonmal gemacht.
Fahrt doch nach Norwegen oder so. Sau geiles Klima im Sommer und dauernd hell.Aber eure entscheidung, viel Spaß wünsch ich.
Zum Thema Ersatzteile:
Am besten komplette Teile mitnehmen. D.h. einen kompletten Austauschmotor mit Vergaser wenn möglich oder zumindestesns komplette Zündelektronik + Kolben + Zylinder.
Und dann am besten noch ein komplettes Rad oder mindestens Ersatzmäntel und Schläuche.
Abgesehen von Werkzeug und vielleicht noch ner Kette ist alles andere ja pillepalle. -
na online gibts ab 15€ gute Reifen. + Schlauch bist du bei 20€ pro Reifen plus Versand.
Heidenau K irgendwas kostet halt knapp 30€ aber dann sinds halt 70€ plus Versand.Und das aufziehen neuer Reifen ist wirklich nicht schwer. Ich hatte bei mir die neuen Heidenau ruck zuck drauf, selbst mit schraubendrehern anstatt gescheitem Werkzeug.
Nur beim aufziehen eines alten Reifens musste ich ihn zwei mal neu aufziehen weil mir jedes mal der Schlauch kaputt ging. Beim dritten mal hats dann geklappt.
-
ja an den benzinhan muss sich jeder gewöhnen. Ich vergess ihn auch jetzt noch manchmal. Bei mir merk ichs aber recht schnell denn wenn kein sprit nachfließt dreht die simme irgendwann immer hoch, dann ist es ca. noch eine halbe minute bis sie ausgeht.
Aber ich glaube ich habe schon eine gewisse geistoge beziehung zu meiner maschine aufgebaut
Gestern bin ich gefahren und denke mir nur: Ich muss ziemlich bal auf reserve schalten. Drei Minuten später steh ich an der Ampel und sie fängt gerade an hochzudrehen. :lickout: :lickout: :lickout:Ansonsten, schrauberfehler:
Keine Weltbewegenden. Ich habe die Bedinschalter am Linken Lenkermodul neu angelötet (scheiß aufwand) und durfte jetzt feststellen dass es so alles nicht mehr zusammenpasst.
Ansonsten bau ich auch prinzipiell vieles mehrfach ein und aus weil ich immer mal wieder etwas vergesse. Dichtungen in der Telegabel etc.