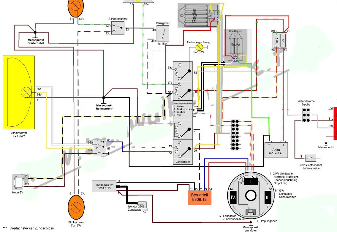
Hallo in die runde ich wollte bei meiner 1 er Schwalbe auch die Missbrauch Variante verbauen. Ich habe schon eine 6Volt E Zündung liegen, ich habe mal schnell einen Schaltplan mit Paint bearbeitet, schaut bitte mal ob das so richtig ist und nicht wundern was ich als "Schaltplan bezeichne"
. Ist ja Richtig das man zwei Regler braucht (möchte diese Chinaroller Regler benutzen: https://www.ebay.de/itm/Genera…cbd020:g:lUwAAOSwF8BcqmVU dazu suche ich die Adapterstecker, ich finde keine...
. Möchte auch zwei Scheinwerferspulen benutzen damit ich noch ein Handy beim fahren Laden kann.
Beiträge von 73erkr51/1
-
-
Wenn sie mit Verstand gecrimpt worden wären hätte ich es so gelassen, wenn man allerdings die Kabel leichter aus dem Stecker ziehen kann als die eigentliche Steckverbindung dann ist das in meinen Augen Pfusch. Mit sowas gebe ich mich nicht zufrieden, auch wenn es nicht mein Moped ist.
-
Ich habe heute bei einer S51 von einem Bekannten eine Vape verbaut Hinterrad gewechselt sowie die Bremsen nachgestellt, kabelbaum wäre auch besser neu gekommen, zum Glück habe ich mir vor kurzem ne gescheite Crimpzange gekauft, so konnte ich alle Stecker und Anschlüsse die über die Jahre Unfachmänisch getauscht und mit einer Wasserpumpenzange oder was auch immer Gecrimpt wurden tauschen. Im Winter steht dann ne größere Wartung an. Das Moped ist ein Paradebeispiel für so geht man nicht mit seinem Moped um... Gut für mich das ich jetzt ne komplette E Zündung für meine 1 er Schwalbe habe.
-
Hallo erstmal hier im Forum. Ich würde mal schauen ob Du einen Schweiß Fachbetrieb findest die Rahmenreparaturen durchführen. Einige halten hiervon nix, jedoch kann ich sagen das man solche Arbeiten durchführen kann. War selber Schlosser/Schweißer und hatte auch die nötigen Schweißscheine. Also Angebot einholen lassen. Bei anderen gebrauchten Rahmen weiß man auch nicht was man hat wenn man sie sich nicht angucken kann. Wünsche Dir viel Erfolg.
-
Zum Thema Auspuff: das mit dem Chrom stört mich nicht, der Auspuff soll eh schwarz.
@ Los AB 16 ja könnte man, möchte ich aber erstmal nicht. Mit den Federn hast du recht, die werden sonst zu stark vorgespannt. Vielleicht komme ich auf dein Angebot mit den Dämpfern noch zurück, falls dann noch vorhanden. -
Die vorderen Federn sind genau so lang wie die hinteren, hinten sind dann noch Zusatz Federn verbaut, die ein Durchschlagen verhindern. die Stoßdämpfergehäuse vorne und hinten sind ebenfalls gleich lang, nur die hintere Kolbenstange ist 30 mm länger als die vordere, (das Innenleben der vorderen und hinteren Dämpfer ist auch unterschiedlich, das lasse ich jetzt aber mal außen vor).Der plan ist also der das ich die hinteren Federn mit dem Rest der vorderen Stoßdämpfer kombiniere, Anpassungen der zugstufe und länge der Federn (Federnvorspannung) müssen dann noch eventuell noch angepasst werden. @bseQ hilft Dir das weiter?
Heute morgen habe ich mal den Auspuff zerlegt, dort wo er lag ist jetzt eine großer Ölfleck... und ich hatte mich noch gewundert was da im Auspuff wohl so klappert... es war der Dämpfereinsatz der war gebrochen, den habe ich dann wieder geschweißt. Der Krümmer steckte insgesamt 11 cm im Mittelstück, die Kiste konnte so doch niemals gescheit laufen . Werde die nächsten Tage mal den Auspuff ausbrennen, das noch recht flüssige Öl werde ich so wahrscheinlich gelöst bekommen, frage mich nur ob sich die Ölkohle auch löst. -
Hallo in die Runde, habe letztes Wochenende mal wieder etwas an meiner Schwalbe geschraubt. Da der Vogel ja tiefer fliegen soll aber noch Fahrbar bleiben soll ist mein Plan die vorderen Dämpfer zusammen mit den beiden hinteren Federn an der Hinterachse zu verbauen. So kommt sie hinten schon mal 30 mm tiefer, vorne dreht mir ein Bekannter die Kolbenstangen ab, eventuell kann er mir auch das dämpfergehäuse sowie das innere Rohr kürzen, da wollen wir vorher mal prüfen wieviel
Dämpferöl dann benötigt wird, da er Techniker ist und Ihn das sehr interessiert klemmt er sich gut da hinter. Insgesamt soll sie vorne knapp 40-45 mm tiefer. Die Federn werde ich erstmal nicht kürzen, da will ich mal gucken wie hart sie ist, einige bauen da ja die Duo Federn ein, diese sind ja noch härter. Simmerringe, O-Ringe und Öl ist bestellt. Gibt es diese Filz Ringe und roten Scheiben noch irgendwo? Anbei noch Bilder vom schnell gebauten Schlüssel für die Dämpferkappen den Zerlegten Dämpfern sowie die Schwalbe wie sie mir von der Höhe gut gefällt. -
Hallo, ich habe hier im Forum und auch Google gequält aber nicht so recht gefunden was ich Suche. Bei meinem Kumpel an der Schwalbe ist der Auspuff momentan das Bauteil was negativ ins Auge fällt, er möchte eh weg von der Chrom Optik und ihn Schwarz machen. Ich möchte bei meiner Schwalbe den Auspuff auch Schwarz machen. Ich habe im Internet eine Firma gefunden die ECC Beschichtungen anbieten. Hat hier jemand Erfahrung damit? Günstigere Alternative wäre den Auspuff strahlen zu lassen und anschließend mit Hitzebeständigen Lack zu lackieren. Ich habe dabei nur die Erfahrung gemacht das dieser Lack ausbleicht ( PKW Schalldämpfer ).
-
Einmal positiv über Simon S93 als Verkäufer. Schnelle Abwicklung.
-
Nicht direkt ein Foto, aber ein Link, mehr verrate ich nicht. Habe am Anfang gedacht es wäre echt.
https://www.instagram.com/p/BzfV6ZegF5Z/?igshid=60t4pg0ifhq2 -
Ich habe hier mal drei Bilder aus einem YouTube Video wo jemand es an eine 1er umgebaut hat, das Set stammt nicht von Lang Tuning, LOS AB 16 hast Du Bilder von Deinem Umbau? Bei dem Umbau in dem Video muss man das Steuerrohr oben und unten um 14 MM kürzen, hier ist auch mal eine email Adresse von dem Hersteller: [email protected]. ich werde mich mit denen mal in Verbindung setzen und dann hier dazu was schreiben.
-
Ich denke das ich das schon angepasst bekomme, woher hast du die Kegelrollenlager?