Es ist ja vollkommen ok das es ihm nicht gefällt. Ich mag nur so manche Formulierungen nicht. Ein "mir gefallen Schwalben besser wenn sie original sind als tiefergelegt etc." fände ich schöner und ich würde nix dazu schreiben. Ich möchte darüber jetzt keine Diskussion auf machen.
Beiträge von 73erkr51/1
-
-
Ich möchte aber kein Chrom bzw Edelstahl sonst hätte ich es auch so gemacht wie du es mir geraten hast, man hätte dann auch eloxierte Speichen nehmen können, die ich da bis jetzt gefunden habe gefallen mir nur nicht.
Die gestrahlten Teile lackiere ich selber mit der Dose und ich weiß auch nicht genau welche Farbe die Felgen bekommen. -
Es gibt halt Leute denen gefällt es und anderen nicht, von mir aus können alle Schwalben tiefer fliegen. Ja jetzt zieh weiter darüber her.
-
Habe die Woche ein paar Sachen gestrahlt.
-
Für mich das Bild des Tages, die Schwalbe meines Freundes und im Hintergrunde meine zerlegte Schwalbe.
-
Danke euch erstmal für die Antworten und Erklärungen. Ich habe mich nochmal intensiv mit dem Thema beschäftigt
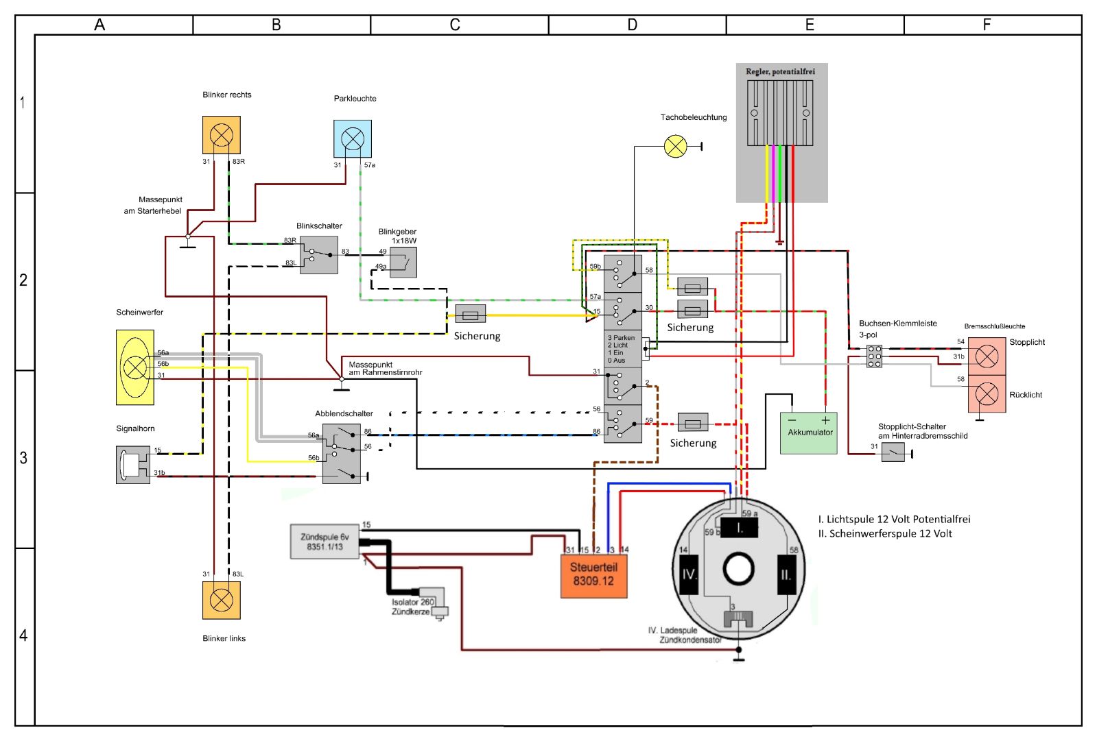
In Bild 1 habe ich einen Ausschnitt aus der 12 Volt Missbrauchsanleitung. Ich habe den Schaltplan dann so gemacht das die 12 Volt Scheinwerferspule ganz normal angeschlossen wird und die 12 Volt Lade/Rücklichtlichtspule über den Potentialfreien Regler läuft. wegen der Potentialfreien Spule habe ich diese gefunden Simson Artikelnr.: 390360. (Bild§) -
Man könnte vielleicht auch die hinteren Öldruckdämpfer der Schwalbe nehmen, diese haben knapp 340 mm und innenliegende Federn.
-
Oberer Plan: Der hat den Nachteil, dass Teile der Elektrik auch bei "Zündung aus" unter Batteriespannung stehen. Das führt kurz oder lang zu fieser Korrosionsbildung an Kontaktstellen. Das ist Mist..
Liegt das daran weil die Spannung der Batterie dann auf 15 vom Zündlichtschalter liegt? Wenn ich nun zwischen 15 und dem Akku eine Sperrdiode einsetzen würde, sodass der Akku geladen wird, würde bei Ausgeschalteter Zündung ja kein Strom mehr fließen, Parklicht hätte so dann keine Funktion mehr.
Würde das Funktionieren oder machen das die Regler auch nicht mit? Elektrik ist halt nicht so meins, ich würde es gerne verstehen, deswegen die vielen Fragen, ich hoffe das ist ok... Habe dazu den Plan nochmal geändert.Als Masseanschloss der Spulen ist der Spulendraht direkt oben aufs Blechpaket gelötet. Den ablöten und ohne Kontakt zur Masse an eine Leitung anlöten.
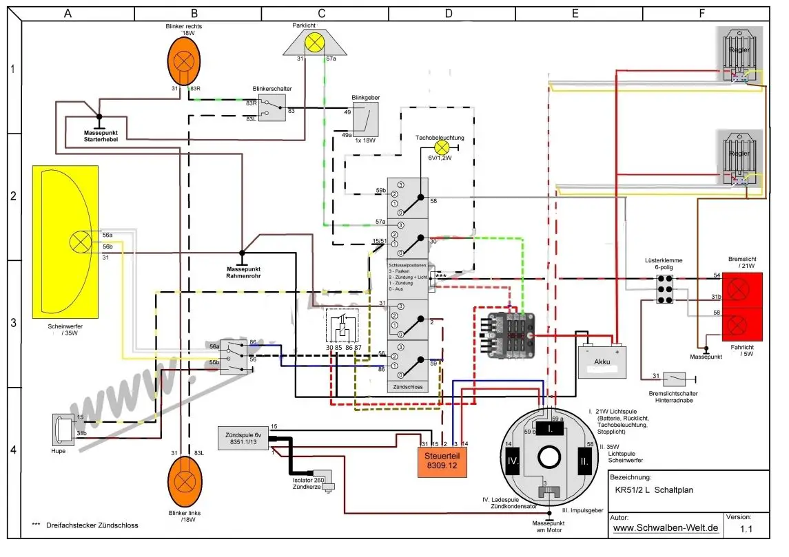
Ich habe dazu ein Bild wo ich markiert habe wo dann das Kabel angelötet wird.
-
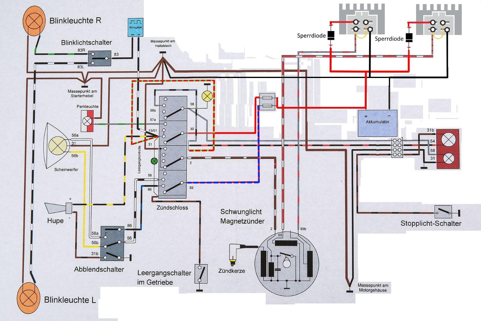
Hallo, ich habe mal wieder was gemalt
. Bei Zeichnung eins Läuft der Strom über den Zündlichtschalter zur Batterie, die zweite direkt von den Reglern zur Batterie mit Sperrdioden, sodass kein Strom zurück in die Regler gelangen kann und diese dann nicht mehr den Akku leer ziehen. Die Regler sollen dann mit integrierten Vollwellengleichrichter sein. Auf Bild drei habe ich eine Scheinwerferspule und eine Rücklicht/Ladespule. Sehe ich das richtig das bei der Rücklicht/Ladespule nix umgelötet werden muss um sie Potentialfrei zu machen? Bei der Scheinwerferspule weiß ich nicht wo das zweite Kabel angelötet werden soll. auf meiner Grundplatte ist da nur das Rotweiße aber kein Massekabel dran und die Spulen die ich im Internet gefunden habe hatten auch alle nur einen Anschluss. Wird dann eine zweite Rücklichtspule genommen? Bei der Anleitung für den 12 Volt Missbrauch ist ja auch die Scheinwerferspule drin. Bild vier ist von der Grundplatte. Ich habe einen Bekannten der ist Elektriker, der lötet mir neue Kabel bzw lötet sie an den Spulen um, da sie alle schon recht brüchig sind. -
Jetzt bin ich verwirrt, hat der verlinkte Regler einen Vollwellengleichrichter?
-
Danke für die Antworten, @makersting hast du eine genaue Beschreibung von dem Regler, damit ich raussuchen kann wie er angeschlossen wird? Male dann nochmal was. Bei dem Relai ist mir ein Fehler unterlaufen mit Klemme 86, habe ich selber eben erst gesehen. Das andere ist ein stromverteiler mit Sicherungen. Mache nochmal alles neu und hoffe das es dann besser ist.
-
Ich habe nochmal was probiert, wenn ein bzw mehrere Fehler drin sind dann schreibt bitte nicht nur so funktioniert das nicht... sondern erklärt wo der Fehler liegt. Die Schaltung soll so sein das alles direkt über die Batterie läuft. Ich kann eventuell eine paar 12Volt Spulen bekommen. Eine paar Fragen vorweg, wenn beide Regler direkt zur Batterie gehen, müssen in die Leitung zwischen Regler und Batterie noch zusätzliche Sperrdioden? Beim Umbau auf Potentialfrei sind die kabel an der Rücklicht und Ladespule doch schon so angelötet das sie potentialfrei ist? Nur die Scheinwerferspule muss noch das zusätzliche Kabel haben? Wenn zwei 12 Volt 42 Watt Spulen verbaut werden ist es dann trotzdem besser diese potentialfrei zu machen? Ich hoffe ihr könnt mir folgen.