S51 Schaltplan Verwirrung

Willkommen! Melde dich an und mach mit – schreiben, antworten, austauschen.
Jetzt registrieren

  • Moin Moin zusammen,


    ich habe mich hier jetzt endlich auch Mal angemeldet, ich weiß einfach nicht weiter.. ich hoffe gestandene Profis wie ihr könnt mir weiterhelfen.


    Zur Sachlage: habe mir 2012 eine S51 gekauft, ziemlich verbastelt gewesen das gute Stück und erstmal nur das nötigste gemacht damit sie einigermaßen läuft. Über gute 1 1/2 Saisons war sie auch ganz gut im Rennen, allerdings häuften sich dann zu nehmend die Ausfälle und Ärgerlichkeiten.
    Nach dem Abitur ging's dann in Großstadt zum Studieren, im Frühjahr 2019 packte mich jetzt wieder die Lust und Motivation und somit versuche ich mich erneut daran, das gute Ding zum Laufen zu bekommen. Die letzten paar Jahre waren das eher Halbherzige Versuche (trotzdem viel investiert), hat alles nichts gebracht und somit tun sich noch folgende Probleme auf:
    - Schaltung funktioniert nicht richtig
    - Zündung ist schätze ich falsch eingestellt
    - letztes Jahr hab ich den Kabelbaum rausgenommen, neuen gekauft und am folgenden Problem gescheitert:


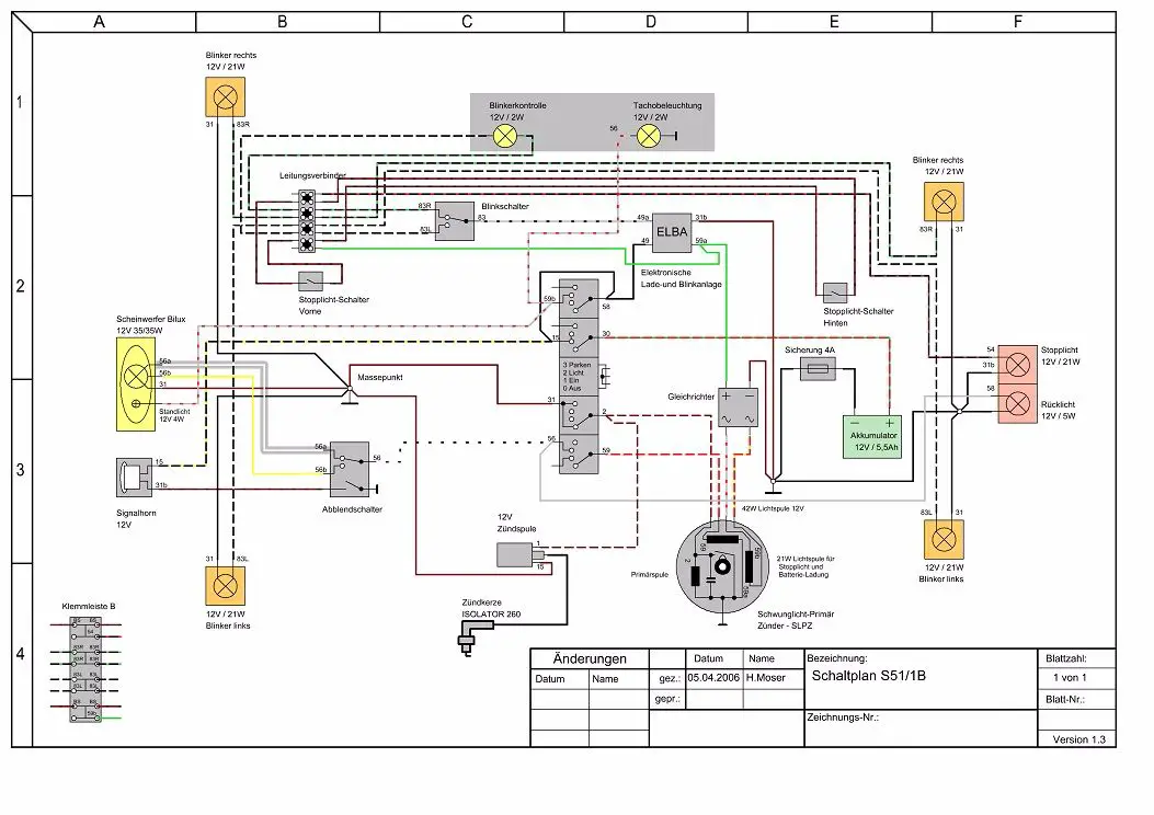
    Wie ihr am Foto entnehmen könnt hat meine Simson "Zusammenstellung" folgende Bauteile: Zündung 12V, Steuerteil, Gleichrichter, ELBA, Blinkgeber, Sicherungskasten und Klemmleiste (+neuerdings Akku 12V 5Ah).
    Ich finde einfach keinen Schaltplan im Internet der dazu passt, der Schaltplan im Anhang kommt schon nah dran, aber dort fehlt das Steuerteil. Mein 20€ Kabelbaum vom eBay passt nicht so richtig auf irgendein Plan, also bin ich kurz davor mir einfach Kabel mit Kabelschuhen zu kaufen und alles einzeln zu verlegen. Habe mir gestern noch Blinker und eine Batterie bestellt, die waren vorher nicht mit von der Partie.


    Also bevor ich mich der Schaltung und der Zündung widme, wollte ich erstmal die Verkabelung in Griff bekommen. Hat jemand eine Idee wie ich die oben genannten Bauteile kombinieren muss bzw. an welchen Schaltplan ich mich halten kann?


    Vielen Dank im Voraus


    lenox

  • Also ich sehe ein Gleichrichter und eine Elba, wenn ein Gleichrichter verbaut ist dann ist normal kein EWR (Elektronischer Wechselstrom Regler) verbaut, im EWR ist ein Gleichrichter integriert.
    Auch hat das Moped ein E-Zündung. Was das für ein blauer Kasten unten ist, kann ich nicht erkennen.
    Blinker dürften nicht verbaut sein oder nicht funktionieren da die Klemme 49a an der Elba nicht belegt ist.
    Für diese Kombination, wirst du kein Schaltplan auch kein passenden Kabelbaum finden, da es die S51 ab Werk so nicht gab. Das gibt es so bei der S53N.
    Ohne EWR sollte eine Biluxlampe im Scheinwerfer verbaut sein, bei einer Halogenlampe ist ein EWR zwingend erforderlich. Auch gibt es Halogen 42W Lichtspule wie auch eine 42W Bilux Lichtspule.


    Solche umbauten auf 12V ohne EWR habe ich selber schon mehrfach gemacht, ist kein Hexenwerk, um es gleich zu sagen die vom TE habe ich nicht Umgebaut, ich nicht solche Mist Quetsch Kabelschuhe, sondern solche https://images.app.goo.gl/pibPRrWZXQC1PT5i6 und die werden auch verlötet.


    Der Schaltplan oben ist soweit der richtige, nur was die Zündung betrifft muss man dann diesen nehmen
    http://www.a-k-f.de/moser/s51-1c1.pdf oder den von der S53N http://www.a-k-f.de/moser/s53n.pdf
    aber Achtung das Rücklicht ist da anders Verkabelt.

    4 Mal editiert, zuletzt von ckich ()

  • @makersting ganz richtig, der blaue Kasten ist ein Blinkrelais, hoffentlich kann ich den für die anstehende Verkabelung der Blinker nutzen


    @ckich danke für die aufschlussreiche Antwort, nun weiß ich schon mal ein Stück mehr. Ich halte mich an den von dir angegebenen Schaltplan und versuche mich mittels Multimeter Stück für Stück durch die Elektronik zu fuchsen.
    Wie du ganz richtig erkannt hast, habe ich aktuell noch keine Blinker dran (bzw. waren sie nie dran, deswegen dachte ich im ersten Moment das eine s51N vor mir steht), allerdings gabs dann im Herzkasten einzelne Teile für das Blinkersystem die zur kompletten Verwirrung geführt haben.


    Ich würde jetzt mit dem S51 1C1 Schaltplan anfangen, bloß wie genau schließe ich den Gleichrichter statt des EWR dazwischen (oder ist es einfacher einfach ein EWR zu kaufen?)?


    Danke für alles ihr seid echt eine große Hilfe!

  • Von der Grundplatte kommen u.a. ein rot/gelbes und ein grau/rotes. Die führen beide Wechselspannung. Die Schließt du an die Flachsteckeranschlüsse mit dem Wellensymbol an. Die Plusleitung grün an ELBA 59a und weiß an Dreierverteiler vom Zündschloss anschließen. An den Minusanschluss führt ein braunes Kabel an die Rahmenmasse.

    TEAM SAUSTAHL


    "Bier trinken hilft der Landwirtschaft"


    Never Touch A Running Simson!!!

  • Von der Grundplatte kommen u.a. ein rot/gelbes und ein grau/rotes. Die führen beide Wechselspannung. Die Schließt du an die Flachsteckeranschlüsse mit dem Wellensymbol an. Die Plusleitung grün an ELBA 59a und weiß an Dreierverteiler vom Zündschloss anschließen. An den Minusanschluss führt ein braunes Kabel an die Rahmenmasse.


    Nein das stimmt nicht, weißes Kabel am Gleichrichter ???
    Du bist wohl beim EWR ?
    @ masterxleno
    Schau in den Schaltplan http://www.a-k-f.de/moser/s53n.pdf oder den ganz oben von dir.
    Das rot/gelbes und grau/rotes von der GP kommt an den Gleichrichteranschlüsse mit den Wellensymbol, vom + Symbol an die Elba Klemme 59a únd Minus an Masse.


    Hast du ein Halogenscheinwerfer (HS1) oder soll einer dran ?
    Dann ist der EWR quasi Pflicht und damit die Verkabelung nach diesen Schaltplan
    http://www.a-k-f.de/moser/s51-1c1.pdf


    Die Elba ist Ladeanlage und Blinkgeber, solange du keine LED Blinker verbaust bauchst du keinen anderen Blinkgeber.

    Einmal editiert, zuletzt von ckich ()

  • Nein das stimmt nicht, weißes Kabel am Gleichrichter ???
    Du bist wohl beim EWR ?
    @ masterxleno
    Schau in den Schaltplan http://www.a-k-f.de/moser/s53n.pdf oder den ganz oben von dir.
    Das rot/gelbes und grau/rotes von der GP kommt an den Gleichrichteranschlüsse mit den Wellensymbol, vom + Symbol an die Elba Klemme 59a únd Minus an Masse.


    Die Elba ist Ladeanlage und Blinkgeber, solange du keine LED Blinker verbaust bauchst du keinen anderen Blinkgeber.


    Bin davon ausgegangen, dass der Gleichrichter zwei Plusabgänge hat ;)


    Tante Edit: Das mit weißen Kabel stimmt natürlich nicht. Das wäre ja die Versorgungsleitung für das Rücklicht. Und das bekommt ja Wechselspannung. Deshalb ist mein Gedanke mit dem zweiten Plusanschluss und dem weiß Kabel natürlich quatsch.

    TEAM SAUSTAHL


    "Bier trinken hilft der Landwirtschaft"


    Never Touch A Running Simson!!!

    Einmal editiert, zuletzt von LordHelmchen ()

Jetzt mitmachen!

Sie haben noch kein Benutzerkonto auf unserer Seite? Registrieren Sie sich kostenlos und nehmen Sie an unserer Community teil!