Hilfe bei Eigenentwicklung eines Schaltplans

Willkommen! Melde dich an und mach mit – schreiben, antworten, austauschen.
Jetzt registrieren

  • Ich benutze TyniCad. Auf der Suche nach einem kostenfrei nutzbaren Programm bin ich auf dieses und ProfiCad gestoßen. TyniCad hat mir irgendwie eher zugesagt, weshalb ich das damit gemacht habe. Leider fehlen auch hier diverse Bauteile, wie Lichtmaschine, Regler, Zündspule etc., bzw. finde ich die nicht, da a) alles auf Englisch b) ich nicht weiß, wie welches Bauteil techn. dargestellt wird.


    Aber ich werde einfach alle Kabel an die richtige Stelle legen und im Anschluss mit Photoshop die fehlenden Bauteile drauflegen.


    Hab auch versucht die Kabelfarben da mit einzutragen. Aber da taugt das Programm nichts, oder ich weiss einfach nur nicht wie es richtig geht.


    Ich habe aber noch eine Sache gefunden, die mir eine Frage aufgeworfen hat.
    Im Moser Plan geht der DC Ausgang vom Regler zum Ausgang des Zündplus Schalters. Damit ist die Batterie bei abgeschalteter Zündung komplett vom Fahrzeug getrennt. Wenn ich den DC Augang direkt auf die Batterie lege, zieht der Regler dann die Batterie leer, oder passiert da gar nichts? Sonst würde ja der gesamte Strom über das Zündschloss laufen, was ich vermeiden will. Die Schalter sollen so wenig wie möglich belastet werden, weshalb ich mit Relais arbeiten möchte (was beim Honda Schaltplan (von dem ich die Armaturen verwende) auch so vorgesehen ist).

  • Damit ist die Batterie bei abgeschalteter Zündung komplett vom Fahrzeug getrennt. Wenn ich den DC Augang direkt auf die Batterie lege, zieht der Regler dann die Batterie leer, oder passiert da gar nichts? Sonst würde ja der gesamte Strom über das Zündschloss laufen, was ich vermeiden will. Die Schalter sollen so wenig wie möglich belastet werden, weshalb ich mit Relais arbeiten möchte (was beim Honda Schaltplan (von dem ich die Armaturen verwende) auch so vorgesehen ist).


    Dann wäre es nicht verkehrt den Batteriehauptstromkreis über ein Relais zu schalten,


    auf der einen Seite Klemmst du die Batterie an und auf der anderen Schaltseite klemmst du den Regler mit auf das Kabel welches dann erst im geschlossenen Zustand die 12 DC Seite des Fahrzeugs speist. So sind Batterie und Regler nur zusammen wenn es geschaltet ist, und im Strmlosen Zustand getrennt genau wie dann im Moser Plan Batterie vor dem ZS und alles andere erst dahinter

    Einmal editiert, zuletzt von ColonelSandfurz ()

  • Du kannst ja den laderegler bei der Steckdose.mit draufklemmen, da ist ja schon ein Relais vorhanden, welches mt der Zündung eingeschaltet wird.

    Mein Leben ist zu kurz zum Warmfahren

  • So.
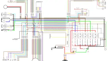
    Ich habe jetzt alle Komponenten im Plan untergebracht. Die Bauteilbezeichnungen habe ich erst mal entfernt. Die kommen noch mal ordentlich. Zum prüfen dürfte das für euch ja nicht stören. Im Zwangsfall einen der älteren Pläne nehmen.


    Die Zündunterbrechung der Alarmanlage müsste so stimmen, denke ich. Ist eine Spy 5000m. Schon lange verbaut, aber die Unterbrechung der Zündung hab ich nicht angeschlossen, da ich nicht wusste wie.


    Die Einzelnen Stecker am Tacho sind separate Kabel (Wasser-, Öltemperatur, Drehzahl, Geschwindigkeit). Am Zündkabel kommt ein Signalfinder von Koso.

  • Du kannst ja den laderegler bei der Steckdose.mit draufklemmen, da ist ja schon ein Relais vorhanden, welches mt der Zündung eingeschaltet wird.


    :dash: Da hast du natürlich Recht. Das ist wesentlich einfacher. Dann brauch ich auch keinen Schalter für die Steckdose einbauen, da das Relais eh immer angezogen ist, wenn die Zündung an ist.


    DANKE


    EDIT:
    Noch mal angepasst mit einem Relais weniger (wieder 4).

  • Wenn der Regler ordnungsgemäß funktioniert (also heil ist), soll er garkeinen bis maximal einen äußerst geringen Ruhestrom saugen, wenn er auf der Batterieseite angeklemmt ist. (kommt darauf an, wie er intern geschalten ist)


    Selbst wenn der Regler einen Ruhestrom saugen sollte, so kannst du den Ruhestrom bei "Zündung aus" sogar noch mit Hilfe eines Relais zwischen Regler und Batterie unterbinden. (falls diese Maßnahme erforderlich sein sollte) ;)


    Damit kannst du den Regler also auch auf der Batterieseite (Klemme 30) klemmen.


    Das ZS kannst du mit mindestens 6A (bis maximal 10A?) belasten.
    Also ist es schon richtig, dass du es mit den Relais umgehst, so das du nur die Steuerspannungen über das Zündschloss laufen hast.


    ===


    Also wenn ich einen Plan auf A4 zeichne und ihn dann vergrößere, vergrößere ich doch auch gleich die Bauelemente mit...


    Bei den Cad-Progs finde ich es wichtig, dass ich auch fremde Bibliotheken einfügen könnte, auch wenn ich dazu Konvertier-Programme nutzen müsste - oder halt, dass ich die benötigten Bauelemente selber (nach)zeichnen kann (und/oder vorhandene Bauelemente ggf anpassen/verändern und separat speichern kann)



    Kfz-Sachen gibt es bei ProfiCad eigentlich nicht, so dass du die Bauteile selber zusammenstellen musst, die du benötigst und ggf selber zeichnen musst.


    Auch dass ProfiCAD auf Deutsch eingestellt werden kann, hat mich überzeugt (Auch wenn es notfalls auch auf Englisch gehen würde)


    Wie gesagt: in meinen Augen ist der einzige Nachteil die fehlende Bibliothek mit den Kfz-Schaltzeichen und der umständliche "Bildexport". Die Vorteile wiederum sind die Anpassbaren "Paierfarben" als Hintergrund und die freie Blattgrößenauswahl. - Eigentlich somit ideal für größere Projekte.


    Da du anscheinend keine Blattgrößen einstellen kannst, wäre es eventuell besser, die Sache über mehrere Seiten aufzuteilen. (am besten an den Steckern, um die Übersicht zu behalten; z.B. Lenker/Frontlicht, Herzkasten/Lima, Batterie/Rücklicht (oder so ähnlich)) Damit schaffst du auch wieder Platz auf den Blättern und erhöhst die Übersichtlichkeit.



    =====


    Nein, er meint, dass der Regler_Ausgang mit auf die Steckdosenseite des Relais geklemmt werden kann (somit können keine Ströme bei Zündung aus fließen. => Lima liefert keinen Strom und die Steckdose ist bei "Zündung aus" ja von der Batterie "weggeschalten".
    Wäre ja trotzdem bei eingeschalteter Zündung mit der 30 verbunden.

    Gruß Frank


    :kopfkratz: Was ist eigentlich Elektrizität? :kopfkratz:


    Morgens mit Hochspannung aufstehen,
    mit Widerstand zur Arbeit gehen,
    den ganzen Tag gegen den Strom schwimmen,
    abends geladen nach Hause kommen,
    an die Dose fassen
    und eine gewischt bekommen!


    :a_bowing: DAS ist Elektrizität! :a_bowing:
    :whistling:

    Einmal editiert, zuletzt von DUO78 ()

  • Aktuell weiss ich nicht mehr wie es geklemmt ist. Aber die Batterie (12V 11Ah) war nach 2 Monaten leer, obwohl die Alarmalage inaktiv war. Deshalb kam mir die Frage dazu, da ich vermute das der Vape Regler eventuell was mit zu tun hat. Die Batterie ist erst 1 Jahr alt (Gel) und sollte eigentlich länger durchhalten mit aktiver Alarmanlage.

  • Also wenn der Regler nach Schaltplan geklemmt wurde (also Reglerausgang auf der 15/51), hätte keine Entladung stattfinden dürfen.


    Da du auch eine AA verbaut hast:
    Wurde die AA "nur" nicht scharfgeschalten, und blieb am Stromnetz dran? => Sie zieht sowohl entschärft, wie auch geschärft ihren Ruhestrom. (Außer bei Alarm, dann natürlich wesentlich höher)


    Normalerweise wird für eine AA ein Ruhestrom von 0,004A (also <4 mA) angegeben.
    Aber in einem Defektfall (z.B. eingedrungenes Wasser oder Feuchtigkeit) saugt sie natürlich auch ohne Alarm-Auslösung mehr Strom.


    Weil bei 4mA sind es nach 2 Monaten (61 Tagen) runde 6Ah Verbrauch, also zu wenig, als das die 11Ah-Batterie schlapp macht.



    Würde der Regler aber entgegen dem Schaltplan auf der Klemme 30 angeschlossen (bei original VAPE) und ebenfalls einen Ruhestrom saugen, dann addieren sich natürlich die Ströme, was zum vorzeitigen Batterieausfall führt.


    Deswegen sollst du ja auch den Regler über ein Relais schalten (was du ja auch gemacht hast.)
    (Nur solle das Reglerkabel ein dickes Kabel nach links auf das Steckdosen-Relais rutschen... => sonst hast du Dauerhupen, sobald der Motor läuft :b_fluester: )


    Wenn der Bock länger nicht genutzt wird, würde ich die Sicherung der AA ziehen (oder das Batteriekabel bzw den Anschlussstecker der AA abziehen) => nur so fließt kein Ruhestrom mehr zur AA)

    Gruß Frank


    :kopfkratz: Was ist eigentlich Elektrizität? :kopfkratz:


    Morgens mit Hochspannung aufstehen,
    mit Widerstand zur Arbeit gehen,
    den ganzen Tag gegen den Strom schwimmen,
    abends geladen nach Hause kommen,
    an die Dose fassen
    und eine gewischt bekommen!


    :a_bowing: DAS ist Elektrizität! :a_bowing:
    :whistling:

    Einmal editiert, zuletzt von DUO78 ()

  • Die 4mA glaube ich erst wenn du die gemessen hast. Der billige China-Mist hat so schlechte Bauteile drin, da sind ja die Leckströme von den Filterkondensatoren schon höher. Besonders nach 1-2 Wintern geben die gerne mal auf und ruckzuck ist die Batterie tot. Da hst du mit 2 Monaten schon Glück :D

    Mein Leben ist zu kurz zum Warmfahren

  • Also meine beiden AA lagen innerhalb der Angaben bis zu 4mA. => der sogenannte "Billigmüll"!!!


    Beide AA waren in einem gut geschlossenen Gehäuse verbaut und haben mehr als 5 Jahre in den beiden Rollern während meiner Zeit keine Probleme betreffs eines höheren Stromverbrauches bereitet. Dagegen habe ich die AA in "Bechergehäusen" (Platine ins Gehäuse gesteckt und Deckel drauf) sozusagen reihenweise absaufen gesehen (am falschen Ort und/oder mit den Kabeln nach oben montiert, so dass das Wasser nicht wieder abläuft)
    Also SO über den Daumen peilen (billiges China-Produkt = Müll) kannst du leider nicht.


    Die 5,5 bzw 6,5Ah-Batterien haben im Winter mindestens ihre 5-6 bzw 7-8 Wochen ohne Bewegung durchgehalten, bevor nachgeladen werden musste.


    Klar, ich habe gelegentlich mal den Ruhestrom gemessen (vielleicht 1x/Jahr). Da wären mir sonst ja Abweichungen aufgefallen... z.B. die verreckende Batterie beim ersten Roller => nach knapp 2 Wochen leer
    => Batterie gewechselt und alles wieder normal - War halt 'ne sche** "Bakterie"


    (nur mal nebenbei bemerkt)

    Gruß Frank


    :kopfkratz: Was ist eigentlich Elektrizität? :kopfkratz:


    Morgens mit Hochspannung aufstehen,
    mit Widerstand zur Arbeit gehen,
    den ganzen Tag gegen den Strom schwimmen,
    abends geladen nach Hause kommen,
    an die Dose fassen
    und eine gewischt bekommen!


    :a_bowing: DAS ist Elektrizität! :a_bowing:
    :whistling:

  • Immer diese Schusseligkeitsfehler. Dauerhupen schon was gutes. Man wird wargenommen. Aber dürfte nach wenigen Minuten einen richtig auf den Sa... gehen.


    Die Alarmanlage ist, wo auch sonst, im Herzkasten, definitiv trocken verbaut. Werd bei Gelegenheit den Ruhestrom mal messen. Sicherheitshalber.


    Abschaltung der Zündung ist richtig so? Bin mir da nicht so sicher ob das die richtigen Kabel der AA sind.

  • Nein, die beiden AA-Kabel grau und pink sind vertauscht: Pink zum ZS, grau an den Pickup (Geber).


    Sind die anderen Kabelfarben der AA korrekt angegeben???


    Ich kenne die meisten AA nämlich etwas anders:
    rot - Dauerplus
    braun oder orang - geschaltet Plus
    schwarz - Masse
    2x gelb - Blinker L und R
    pink - ZS
    grau - Pickup (Geber) bzw. Unterbrecher
    (hell)blau - E-Starter
    1x Antennenkabel (schwarz, ohne Kontakt)
    und 1x schwarz mit Ring-Öse => Rahmenmasse => Masse


    zusätzlich, nicht bei allen AA vorhanden:
    + Kabel, um das "Anlassersignal" umzupolen (3 Stück)
    und
    + eine Kabelschlaufe, mit der die Empfindlichkeit der AA auf High oder Low gestellt wird => durchschneiden oder miteinander verbinden


    ---


    Möchtest du auch eine Ladekontrolle verbauen? => Low-Bat-Anzeige, wie ich es in den beiden Tuts beschrieben habe

    Gruß Frank


    :kopfkratz: Was ist eigentlich Elektrizität? :kopfkratz:


    Morgens mit Hochspannung aufstehen,
    mit Widerstand zur Arbeit gehen,
    den ganzen Tag gegen den Strom schwimmen,
    abends geladen nach Hause kommen,
    an die Dose fassen
    und eine gewischt bekommen!


    :a_bowing: DAS ist Elektrizität! :a_bowing:
    :whistling:

Jetzt mitmachen!

Sie haben noch kein Benutzerkonto auf unserer Seite? Registrieren Sie sich kostenlos und nehmen Sie an unserer Community teil!