Also ich warte auch schon seit April 2021. Ich sollte dort mal anrufen...
Beiträge von Thara
-
-
Schon seit Anfang Bing. Wie kommst du auf BVF?
Gut dann wird das wohl so passen danke euch allen für die Infos

-
Hab gerade Mal bei AKF geschaut: https://www.akf-shop.de/simson…teile/bing-starterkolben/
Der Gummi beim Bing ist ja sowieso nach innen abgesetzt. Das sieht bei mir genauso aus, nur, dass sich leicht der Ring vom Gegenstück abdrückt.
Ich dachte irgendwie dass da auch so ein großer Gummi wie beim BVF Vergaser drin wäre.
-
Hallo Trollaxt,
Was sind die Auswirkungen von einem defekten Startvergaser? Ansonsten: gibt es Ersatz für so einen Gummi, oder muss ich mir einen neuen Kolben kaufen?
-
Hallo,
Die Powerdynamo läuft super. Das Moped nimmt sehr viel besser das Gas an und geht deutlich besser. Die Hupe war durch, also habe ich mir beim freundlichen Simsonschrauber aus der Nachbarschaft eine neue, sowie einen passenden Gummi fürs LiMa Kabel besorgt. Mir ist beim Schrauben am Vergaser aufgefallen, dass der Gummi vom Startervergaser (etwas) eingedrückt ist. Irgendwo hab ich gelesen, dass das Probleme machen kann. Welche Probleme könnten das sein? Sie säuft nicht ab, wenn sie warm ist (das habe ich häufig gelesen).
-
Ok, Massekabel ist dran. Hab eine 2. Mutter auf den M6-Gewindebolzen (siehe Bild; roter Kreis) geschraubt. Wofür auch immer der gut ist.
Die Hupe war wirklich verkehrtherum angeschlossen und ist wohl defekt, oder bekommt keine Masse vom Kombischalter. Gemessen hab ich es noch nicht, aber ich habe die Klemmfläche im Kombischalter beim Zusammenbau angeschliffen. Also eigentlich müsste das klappen.
Wegen dem Stopfen und wegen 2-3 Kleinteilen gehe ich heute nochmal zur lokalen Simsonwerkstatt. Dafür brauche ich ja nicht erneut bestellen. Vielleicht kann der ja nochmal kurz drüberschauen.
-
Ok, danke. Dann schaue ich mal ob ich die Hupe nicht nur verkehrtherum angeschlossen habe

Den Stopfen unten habe ich schon, den oben nicht. Ich würde erstmal versuchen den oberen zurechtzuschneiden

-
Guten Morgen,
ok, dann verlege ich noch ein Massekabel vom Motor an den Massepunkt im Herzkasten. Da hängt sowieso die Zündspule, das Massekabel von der LiMa, und das Massekabel vom Regulator dran.
-
Hallo, ich bin endlich fertig und sie läuft! Morgen früh um 6 wird es gleich auf der Fahrt zur Arbeit getestet!
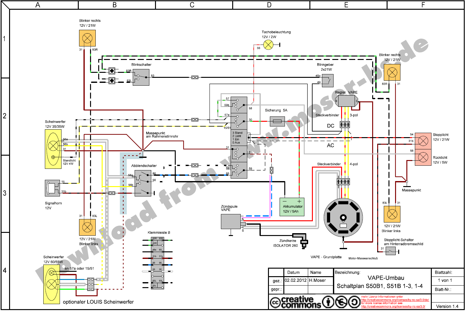
Danke nochmal für deinen Schaltplan somit konnte ich erstmals verstehen, wie das Zündschloss intern arbeitet und habe einige der pd Pins auf den Sicherungskasten ausgelagert.
Die Motormasse habe ich vergessen, hoffentlich macht das keine Probleme:)
Im Herzkasten ist ein riesiges Kabelwust, aber es passt alles rein, also egal
Die Hupe funktioniert nicht, aber entweder ist die kaputt, oder die bekommt keine richtige Masse vom Kombischalter. Muss ich mal durchklingeln. Oder hat so eine Hupe bestimmte Pins für VCC und GND?Nur ein Problem habe ich noch und zwar fehlt meinem Seitendeckel der Kabelausgang für die Kabel der LiMa. Ich habe nur eine Durchführung direkt über dem Ritzel, aber da passt der dazugehörige Dichtgummi nicht.
-
Hallo,
vielen Dank für die vielen Antworten und danke für den Hinweis mit den Massen. Die Rahmenpunkte untereinander habe ich bereits verbunden. Die Spule werde ich an den MP im Herzkasten verbinden. Den Regler verbinde ich mit der Batterie und dann auch im Herzkasten mit Masse. Motor.... Da muss ich mal schauen... vielleicht kann ich am Kupplungsdeckel was anschrauben.
Der Verlinkte Schaltplan ist GOLD wert! Vielen Dank! Ich versuche das jetzt alles nachzuvollziehen und notiere mir das. Würdest du dann eine 10 oder auch eine 15 A Sicherung zwischen Batterie und PIN 30 klemmen?
Wenn ich dann alles richtig verkabelt habe, dann sollte alles mit Schaltung 1 leuchten, da ich ja an der PD-Sicherung 15/51 mit dem 3er verbinde.
Ich melde mich gleich noch einmal, sobald ich alles durchblickt habe
-
Hallo, ich bin gerade dabei das Zündschloss zu verkabeln und hätte da eine Frage: Laut Schaltplan in der Anleitung wird die Batterie direkt auf 15/51 geklemmt. Aber in der Ansicht vom Zündschloss in der Anleitung wird die Batterie vom Regulator getrennt an Pin 30 geklemmt. was ist nun richtig?
Weiterhin ist da eine "Doppelbrücke" vom Dreierkontakt auf 15/51 eingezeichnet. Welchen Sinn hat diese? In dem Schaltplan, den ich verwendete waren 59 und 59b ebenfalls am Dreierkontakt. Das ist dann auch falsch oder?also kurz Zusammengefasst:
- Regler Powerdynamo fest mit Batterie auf 15/51 oder Batterie getrennt auf 30? Oder beides?
- Warum Doppel-Brücke vom 3er-Kontakt zu 15/51?
- 59 und 59b nicht auf 3er-Kontakt?
Zum Testen könnte ich ja schonmal die geladene Batterie anschließen, oder? Dann müsste zumindest Standlicht und Hupe funktionieren, sehe ich das Richtig?
Abbildung Zündschloss laut Powerdynamo (Ich habe die Stellen einmal gelb markiert):
Schaltplan laut Powerdynamo:
Schaltplan zum Verlegen vom Kabelbaum, den ich benutze:
-
ok danke

lehmann :
Ich hab nach Kerzenstecker VAPE gegooglet und folgendes gefunden: Daher der 1kOhm. Ist das falsch?
Als Standard hat man früher die 5kOhm verwendet aber wenn du z.B. auf eine Vape umgerüstet hast oder auf die Powerdynamo Zündungen, empfehlen wir eher die 1kOhm Kerzenstecker zu verwenden.
Edit:
Powerdynamo selbst schreibt auch 1-2 kOhm:
Alles anzeigenDie Antwort nach den Zündkerzen hat 3 Teile:
a) Es sind die Kerzen zu nutzen, welche der Hersteller des Motorrads vorgegeben hat, bzw. Ersatzkerzen mit analogen Werten wenn die originalen nicht mehr greifbar sind. Nutzen Sie auch den vom Hersteller angegebenen Elektrodenabstand. Bei EInzylindermotoren können Sie einen Abstand von 0.6mm testen. Bei 2 und vor allem auch 3 Zylindermotoren nehmen Sie besser 0.4mm. Einige Kawasaki 3 Zylinder geben 0.6mm als Standard an, bitte reduzieren Sie das auf 0.4mm.
b) Es sollten neue Markenkerzen genutzt werden (Siehe dazu unsere Information zu schlechten Kerzen )
In den Einbauanleitungen steht dazu: Sie tun sich selbst einen Gefallen wenn Sie neue Kerzen und Kerzenstecker verwenden (am besten mit einem Widerstand von 1 bis 2, maximal aber 5 kOhm). Solche Stecker gibt es z.B. von Beru (BER WOA/14) und von NGK (NGK XD01F-S).
Viele Probleme konnten immer wieder auf vermeintlich "gute" (teils auch "neue") Zündkerzen, Stecker oder Anschlüsse zurückgeführt werden.
auffällig ist das sich Berichte über Zündversagen an heißen Tagen häufen - die meist ihre Ursache in der Kerze haben
c) Verwenden Sie keine Zündkerzen mit internem Widerstand. (NGK und Bosch z.B. bieten solche Kerzen an, im Code ist dann ein "R" für "Resistor" - Widerstand, z.B. BR oder WR) in Kombination mit entstörten Kerzensteckern. Das bringt zweimal Entstörung und damit einen zu hohen Widerstand, welcher - vor allem bei Systemen mit Doppelspule zu Startproblemen führen kann. Beachten Sie bitte auch, daß Kerzen mit eingebautem Widerstand recht stark streuen, d.h. von Kerze zu Kerze kann der Widerstandswert recht unterschiedlich sein.