Bin eigentlich kein Freund der SR50 SR80, aber die ist wirklich sehr schön geworden und wirkt nicht mehr so klobig wie original.
Beiträge von 73erkr51/1
-
-
-
- So, will mal berichten, es lag am Schwimmerventil, habe das alte wieder drin, habe es ordentlich gereinigt und die Düse getauscht, Schwimmer neu eingestellt und alles funktioniert. Verstehe nur nicht warum das Ventil aufgemacht hat wenn die Schwimmerkammer ab wa... manche Sachen muss man nicht verstehen.
-
Egal was du schreibst, der Schwimmer hängt irgendwo.
- Ja, das scheint mir auch so, obwohl es sich so anhört als wenn sich der Schwimmer bewegt wenn man den Vergaser dreht (schwimmergehäuse verschraubt), Dichtungen sitzen richtig, Schwimmerstift sitzt so wie es muss...
- Morgen bringt ein Kumpel noch einen anderen Vergaser mit, dann vergleichen wir den Schwimmer mal, ich vermute das der irgendwie nicht passt... berichte dann mal und danke für die Antworten
-
Hallo, nein hat hat sie nicht.
-
Hallo zusammen, ich habe heute einen m541 er Motor mit 60ccm Langtuning Zylinder nach der regenerierung das erste mal gestartet, der Vergaser ist mit einem ZT Upgrade kit versehen. Vergaser wurde vorher komplett gereinigt... Schwimmer ist neu und wurde mit der Senfglas Methode eingestellt, das hat alles gut geklappt. Nun zum Problem. Sobald die Schwimmerkammer montiert ist läuft kein Sprit mehr in den Vergaser, Schwimmer klemmt nicht am Gehäuse. Ich stehe total auf dem Schlauch... Sobald man die Schrauben von der Schwimmerkammer löst läuft das Gehäuse voll. Alle Düsen usw sind frei. Woran kann es liegen das kein Sprit in die Kammer läuft? Den Motor habe ich dann erstmal mit einem anderen Vergaser gestartet... Ich hoffe ihr könnt mir helfen.
-
Die Regler die wir rausgesucht haben sind mit gleichrichter, so steht es in der Beschreibung, daher denke ich das es ohne zusätzlichen Brückengleichrichter funktionieren sollte, lasse mich aber gerne korregieren. Warum sollen es gleichwertige Spulen sein?
-
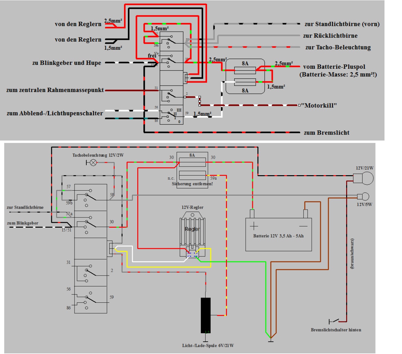
- Hallo zusammen, ein Bekannter hat eine Simson S51N gekauft, der Vorbesitzer hatte ein Zündlichtschalter von der SR50 verbaut. Wir haben jetzt auf e Zündung umgebaut. Moped läuft so weit. Es sollen noch LED Blinker, LED Scheinwerfer und LED Rücklicht verbaut werden, die Teile waren beim Kauf dabei. Um sie zu betreiben soll auf 12Volt Missbrauch umgebaut werden. Im Anhang habe ich ein Schaltplan (2. Bild). Die Regler haben ein integrierten Gleichrichter. Es soll so geschaltet werden das alles über die Batterie läuft, (Plan aus 12V Missbrauch mit potentiellfreien Spulen (1. Bild im Anhang). Da die LED's weniger Stromstärke verbrauchen sollten die Chinarollerregler doch reichen?
-
Geil wie hier versucht wird die Leute nieder zu machen die nicht alles so machen wie es gewünscht ist, einfach nur lächerlich. Kauft alle Simsons und was weiss ich und bunkert es vor allen bösen nicht Original haben wollende.
-
Richtig, bis auf die Kurbelwelle, Kupplung und die die Abtriebswelle ist noch alles im brauchbaren Zustand...
-
Schwarze von schwarz...
http://www.stossdaempfer-schwa…shop/contents/de/d56.htmlDas sind die, die ich nicht nehmen würde...
https://www.ebay.de/itm/4-St-c…38-418f-82ad-1cf0ee4eabf1 -
Lecker Karamellsoße, da war wohl etwas Wasser im Spiel... Motor stand 2 Jahre ohne Zylinder im freien ohne jegliche Abdeckung