Gute Idee mit den Strapsen,
manchmal sieht man den Wald vor lauter Bäumen nicht.
Der Nabendeckel dreht sich meiner Meinung nicht mit,
Zumindest glaube ich das (Moped gerade Zerlegt da ist testen doof). ![]()
Beiträge von Aluc
-
-
Er war stehts bemüht.

-
Tacho wird ja ein Koso GP Style dort wird denke ich ein passiver Sensor sein.
Ich habe mir jetzt 2 Varianten überlegt zum einen im Vorderrad in der Nabenabdeckung ein Loch, dort den Sensor rein und sauber verkleben.
Bei den 3 Knubbels in der Narbe dan die Magneten rein.Variante 2 wäre an der Hinterrad Schwinge den Sensor anbringen und dann 2-3 Magneten an die Speichen.
Persöhnlich denke ich, Variante 1 wäre eleganter bin nur am Überlegen wo ich das Kabel lang lege.
-
Bei mir hat Gestern der Postbote geklingelt.
Es kam die neue Betriebserlaubnis also alles gut.
-
Super Tipp danke.
Ich hatte den Signal geber von louis noch nicht bestellt.
Dann schlage ich doch gleich zu günstiger ist der von Koso ja auch.
Edit.
Das mit dem Tacho-Signal habe ich noch nicht richtig verstanden,
Die Magneten für den Sensor unter der Abdeckung für die Nabe kleben ?
Hat eventuell jemand dort ein Foto von für mein Vorstellungsvermögen.
-
Super vielen dank.
Dann kann es ja losgehen sobald alle Teile da sind.
Bei Fragen würde ich nocheinmal drauf zurück kommen. -
Hallo,
Diesen Signalgeber habe ich gekauft.
https://www.louis.de/artikel/m…uer-cdi-zuendung/10034683
Und für meine Koso Amaturen gibt es leider nichts auf der Homepage.
http://www.kosoeurope.com/dreh…-000-u/min-schwarz?c=3264
Sowie:
http://www.kosoeurope.com/tach…0-kmh/mph-odo-trip?c=3261
Dort habe ich nichts gefunden.
Allerdings habe ich auch noch nicht weiter gegoogelt. -
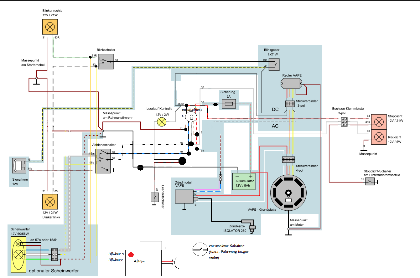
Hallo,
Ich habe mir heute ein wenig Gedanken gemacht bezüglich meines Umbaus an meiner Schwalbe.
Nach ein wenig Foren Blättern bin ich auf die ein oder andere Anleitung gestoßen.
Diese habe ich in meinen modifizierten Schaltplan eingebracht.
Ich bitte euch hiermit einmal drüberzuschauen ob alle soweit passt.
(Die Alarmanlage hat absichtlich keine Zündunterbrechung.)
Tachobeleuchtung habe ich rausgenommen weil dort ein Koso Tacho sowie ein Koso Drehzahlmesser rein soll.
Leider habe ich für diese noch keine Schaltpläne.
Aber sobald diese da sind werde ich sie mit einpflegen.
Falls jemand da schon einmal Tipps hat bin ich da sehr dankbarAußerdem ist ein Zündsignalgeber für die Verbesserung des Drehzahlsignals auf dem weg zu mir.
Wo muss ich diesen anschließen ?
Zum Schluss noch die Frage, gibt es Ideen was ich mit meinem Standlicht im H4 anfangen könnte ?Vielen dank schon einmal im voraus

-
Das ist ja immer so bin gespannt wann meine auftauchen;)
Hatte die neuen übrigens dann bestellt -
Alles klar.
Ich lasse eine Nachricht da ob es geklappt hat.
Danke und gruß
-
Hallo,
Ich habe folgendes Problem :
Vor 2 Jahren habe ich eine neue ABE für mein Schwalbe beim Kraftfahrt Bundesamt beantragt und diese auch bekommen.
Nun ist es leider so, das die Zulassung über den letzten Winter aus un-befindlichen Grund verloren gegangen sind.
Hat jemand Erfahrungen damit wie es mit einer erneuten Beantragung aussieht.
Sind leider in der Zwischenzeit umgezogen, allerdings habe ich ja wie gesagt die Papiere beantragt.Bin für alle Tipps dankbar
gruß Christian
-
Hi
hatte nochmal ne pn geschrieben.