Du bist echt der kracher ey. Vielen dank
Eine frage noch wollte mir jetzt das relai bestellen kan ich das von dir verlinkte dafür nehmen oder brauche ich ein anderes? Brauche ich noch andere sicherungen falls ja welche? Und noch mal thema Batterie welche gel batterien taugen was und wieviel AH sollte diese min/max haben
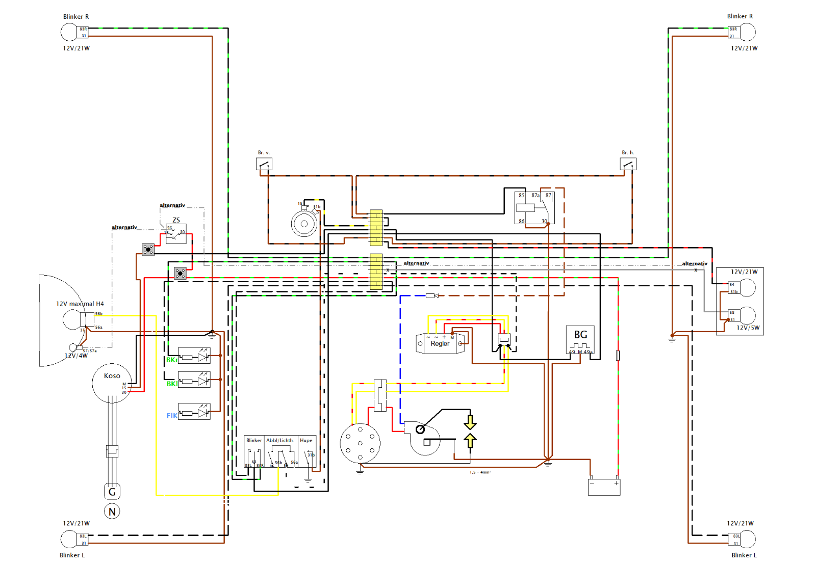
Umbau auf Killschalter S51
Willkommen! Melde dich an und mach mit – schreiben, antworten, austauschen.
Jetzt registrieren
-
-
Relais:
Ja, du kannst das verlinkte Relais verwenden. (Es gibt natürlich auch andere Relais, wenn man denn will) Wichtig ist nur, dass es einen Umschalt-Kontakt (oder Öffner) hat.Sicherung bleibt die 8A- Torpedosicherung bzw bei Flachsicherung dann eine 7,5 bzw 10A.
Batterie... - Hier gebe ich keine Empfehlung betreffs Hersteller und Typ.
Die Batterie sollte Hochstromfest sein, gute "nicht-selbt-Entladeeigenschaften" haben und sie sollte gute Tiefentladeeigenschaften haben.
Ab 4,5Ah bis hin zur größten, die mechanisch in den Herzkasten passt. 5,5Ah wäre optimal. (Bei dir werkelt ja kein Anlasser... - und selbst mit Anlasser, reicht eine 5,5 - 7Ah aus.
)So, hoffentlich wird es morgen was. Aber übermorgen Abend sollte der Plan definitiv stehen.
-
Ok da werde ich dan mal nach einer batterie schauen... Lass dir zeit so wie es bei dir passt.
-
Ach so: Du benötigst noch eine zweite Klemmleiste, die auch 3 Doppel- und 2 Einfach-Brücken hat. (also die selbe Klemmleiste, die du schon hast, noch ein mal)
(z.B.: in der Bucht: https://www.ebay.de/itm/Leitun…091360:g:fN8AAOSwnHZYg4NQ)Dazu noch 2 Stück 3-fach bzw 4-fach Verteiler für vorne. (z.B. in der Bucht: http://www.ebay.de/itm/4-Stu-F…7b36cd:g:rV8AAOSw2s1UvBZ6 bzw http://www.ebay.de/itm/Flachst…0b9d47:g:cgoAAOSw3YJZQeJW)
=====> Nachtrag
So, der Plan:
Ich denke, dass ich jetzt alles richtig verkabelt habe.
"alternativ" ist kein MUSS. Wenn du das Rücklicht (grau) alternativ auf DC verkabelst, steckst du die Leitung in der Klemmleiste so um, dass die Punkt-Strich-Linie verkabelt ist und grau jkmit den beiden Kreuzen nicht geklemmt wird.
Ist eigentlich der gleiche Plan, wie bei Moser, nur anders gezeichnet und entsprechend erweitert (altes ZS fliegt raus und neues ZS kommt rein, Licht bleibt auf Dauerlicht)
-
Wie geil du bist. Vielen dank da habe ich Samstag abend was zu tun.
-
Na dann: viel Erfolg!
Falls Fragen sein sollten, weißt du ja, wo du fragen musst.

-
Nen paar fragen hab ich noch.
Kan ich statt dieser leitungs verbinder vorne auch vagoklemmen nehmen?
Das teil rechts vom regler hab ich das schon, falls ja welches bauteil ist das.?? Das blau/weisse kabel (zundspule?) wird zu rot/weiss was für ein symbol verbindet die beiden kabel.?
Was mache ich mit dem rot/grauen kabel vom ZündschlossWar ja klar dein verlinktes relai ist nicht mehr verfügbar. Ich habe jetzt noch ein anderes gefunden is das das richtige geht mir um die nummern die du im neuen schaltplan verwendet hast.
https://m.ebay.de/itm/12V-40A-…id=p2056116.c100408.m2460 -
Das Relais benötigt 5 Kontakte, wenn es ein Wechsler/Umschalt-Relais wäre...
z.B. dieses hier: http://www.ebay.de/itm/Kfz-Rel…9eb4e7:g:b7kAAOSw0jFZn9VCDie Vago-Klemmen müssen flexible Leitungen sicher verbinden können...
Warum nimmst du keine abzweigende Flachsteckhülsen? (entweder diese Art: http://www.ebay.de/itm/20-Flac…d1d926:g:1kwAAOSwQItUGWNm oder diese Art: https://www.ebay.de/itm/2x-Fla…b430f2:g:3y0AAOSwnDZT59V1)
Man kann auch (isolierte) Stoßverbinder dazu nehmen, wenn man keine Abzweige mag und mehrere Kabel darin zusammenfasst (z.B. diese Art: http://www.ebay.de/itm/Stossve…m:mppwg-NVa7F3NBG35JSB-DA) oder Schrumf-Stoßverbinder (z.B. diese Art: https://www.ebay.de/itm/100PCS…m:mG0VpTaQpdNKsLbWE6nzeyQ)
Es geht auch mit den Rundsteckern, wenn du hier mehrere Kabel einquetscht: http://www.ebay.de/itm/AUPROTE…m:mL8VUyA2Zyerwwn4DDy5S2gDas Bauteil rechts vom Regler ist der Blinkgeber. Den solltest du eigentlich haben.
Blau/weiß wird zu braun/weiß und ist der Motor-Kill. - Keine Ahnung, wieso bei dir das blau/weiße Kabel auf rot/weiß geht (vielleicht eine andere Kabelfarbe verwendet und trotzdem am alten ZS 2 angeschlossen?)
Hier habe ich eine Steckverbindung zwischen den beiden kabeln eingezeichnet. Du kannst auch eine der Freien einfach-Durchführungen in den Steckleisten dazu nehmen, um die Kabel zu verbinden.
Das Relais schaltet ja die alte ZS-Ebene 31 <=> 2.grau/rot - die Instrumentenbeleuchtung...
Der Digi-Tacho ist sobald die Zündung eingeschalten wird hintergrundbeleuchtet, so wie es aussieht. (dann werden sie nicht geklemmt)
Nur wenn er einen separaten Licht-Anschluss hat, würde ich die Beleuchtung ebenfalls an die Stellung 2 (neues ZS) anschließen, wo du die anderen Optionalen Kabel hast. -
Alles klar dank dir. Kan auch sein das ich mich verschaut habe auf deinem plan das es braun und nicht rot/weiss ist. Der blinkgeber ost das dong was du mit BG gekennzeichnet hast aber ich meinte das teil in der mitte zwischen regler und blinkgeber.
muss eh alles komplett neu verdrahten da bei mir komplett nur schwarze kabel drin sind bis auf den vape gedöns. -
Ach so, das ist der 3-er Anschlussstecker des Reglers.
Na dann hast du ja noch so einiges vor... - Also frisch ans Werk!

-
Gibt es einen fertigen kabelbaum den ich nutzen kan. Gibt so viele und ich weiss echt nocht welchen ich da nehmen könnte. Oder ich bestelle mir einfach alle kabel usw einzeln und baue mir den kabelbaum passend zur neuen Verdrahtung.
-
Wenn du das richtige Werkzeug hast, dann los, selber machen. Dann hängt da nix rum und es gibt keine Querverbindungen, etc.
Vorteile: übersichtlich und keine Gefahr von schlechten Verbindungen. Fehlersuche fällt auch flach, sowas hält ja ein paar Jahre
Wichtig: gutes Werkzeug zum Crimpen.
Jetzt mitmachen!
Sie haben noch kein Benutzerkonto auf unserer Seite? Registrieren Sie sich kostenlos und nehmen Sie an unserer Community teil!