Die Draufsicht ist eigentlich garnicht so hässlich aber von vorne
. Ist das in der Mitte nur ne Uhr oder kann das noch mehr ?
Was habt ihr heute an eurem Moped gemacht?!
Willkommen! Melde dich an und mach mit – schreiben, antworten, austauschen.
Jetzt registrieren
-
-
Simsonator 3 - Die Rückkehr des Blecheimers

-
Wo hast du die Funktionsleuchten her?
Na, wie immer über ebay
. Leider gab es die zu den Zeitpunkt, wo ich meine bestellt aheb nur als 14mm (Loch) vesion, mittlerweile gibt es die auch für 8mm 10mm usw. Mein Verkäufer hatte mir auch versehentlich anstatt einer Fernlichtkotrolle eine Warnblinkleucht gesendet, Geld dafür habe ich zurück bekommen, darf aber nun auf die andere warten...Ist das in der Mitte nur ne Uhr oder kann das noch mehr ?
Ja, das ist eine Uhr, die aber auch Spannung und Temperatur anzeigen kann, hier gibt es määähhrrr dazu. Ich werde noch eine blaue Farbfilterfolie drüber kleben, damit die Ablesbarkeit bei Sonnenlicht erleichtert wird und die Anzeige in der dunkelheit nicht so doll belndet
.Simsonator 3 - Die Rückkehr des Blecheimers
Man könnte auch anstatt des Dzm und des Tachos, entsprechend passende "Erfrischungsgetränke" reinstellen

-
Привет! Я сегодня сделал тягу заднего тормоза


-
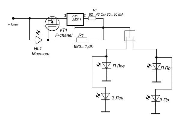
В последнее время показатели составили мопед (усталое изменение колбы) цепь реле припаяны вспышки светодиода HL1.
vor kurzem machte Blinker am Moped (müde von der Lampe ändern) relais montiert an der Leuchtdiode blinkend HL1.
В качестве блока радиатора LED 12V модули применяются.
Angewendet fertige LED-Module 12V

Вот как они определены в обычном случае.
Brachte in dem vorbestimmten Platz
-
-
Hi there, can you write in german or english please? Its quite hard to read and unterstand this with cyrillic letters.
mfg

Ich Schreibe auf Deutsch, aber die Seite automatisch in die russische Sprache übersetzt

-
Sehr interessant. Mit gefällt der Umbau. Gibt es Bilder wie sie leuchten?
-
speziell für die Vögelchen
https://youtu.be/lbnwIAQRIv4 -
Danke,v siehe sehr gut aus. Gefällt mir sehr.
-
-
[Цитата = 'Chrisman', «HTTP: //www.simsonforum.de/wbb/index.php/Thread/63348-Was-habt-ihr-heute-an-eurem-Moped-gemacht/ = 1455402 сообщения дан # post1455402? '] Система постоянного тока работает, светодиодные сигналы поворота тоже выглядят хорошо. MfG Christian PS Это в подвале, поэтому не работает движок. [/ Quote]
: Thumbsup:
Jetzt mitmachen!
Sie haben noch kein Benutzerkonto auf unserer Seite? Registrieren Sie sich kostenlos und nehmen Sie an unserer Community teil!





