Moin
Habe hier noch nichts passendes gefunden desswegen frage ich euch hier...
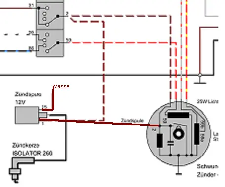
Habe in meiner S50 noch keinen Kabelbaum drin möchte jedoch den Motor testen.
Habe eine U Zündung...
Könnt ihr mir sagen wie ich von der grundplatte auf dem schnellsten weg zur zündspule komme???
Danke schonmal ![]()
Mfg
