Gerät zum Einstellen des ZZP ( optisch und akkustisch )

Willkommen! Melde dich an und mach mit – schreiben, antworten, austauschen.
Jetzt registrieren

  • Hallo zusammen.


    Ich bin schon vor langer Zeit einmal auf die Seite http://www.moser-bs.de gestoßen.
    Finde die Seite wirklich super. Nun möchte ich mir solch ein Gerät oder besser gesagt solch eine Schaltung selber bauen. Habe schon einige Zeit auf conrad.de und reichelt.de verbracht um mir die Teile zu bestellen, die bnötigt werden. Jedoch vergebens.Komme einfach mit den ganzen Bezeichnungen nicht zurecht..Machen zwar in der Schule viel mit Elektrik und Co ( Leistungskurs ), jedoch komme ich mit den Bezeichnungen nicht klar.
    Kann mir vl jemand von euch helfen? Das löten sollte meiner Meinung nach kein Problem darstellen. Da habe ich schon einge Erfahrung gesammelt.
    Freu mich auf eure Antworten.
    mfg simmiS50freak :b_wink:

    SimsonTuning is a crime!

  • nein die schaltung zum einstellen des zzp...hab es bis jetzt auch immer mit ner fühllehre gemacht usw..aber irgendwie find ich das zu ungenau..is auch voll des gefummel..
    schau mal unter simson...ich habe mal bei simson strauch in stuttgart so ein gerät gesehen...da is ne lampe..oder LED drauf die dann leuchtet sobald der unterbrecher öffnet...und dann hat man den zzp...

    SimsonTuning is a crime!

  • gib mal den genauen link was du dir bauen willst

    "Ich lasse jedermann Gott so anbeten, wie er es für angemessen hält,
    und ich glaube, dass jeder das Recht hat,
    den Weg in das unbekannte Land des Himmels oder der Hölle zu nehmen,
    den er bevorzugt"

    (Friedrich II. / 30.Dez.1782)


    "Gott bewahre uns vor religiösen Eiferern"
    (Friedrich II. / unbekannt)


    "may you be an half hour in heaven, before the devil knows you*re dead"
    (irish wish, unknown)

  • Eine Box mit einer Batterie, einer Lampe und 2 Kabeln...so schwer zu bauen? Wenns akustisch noch sein soll, dann dazu noch nen Summer.


    Bei einer E-Zündung wird es hingegen komplizierter :)

    Leider keine Simme - ehemals ne S51/1 B in Billardgrün :)
    Wer Stress mit seiner Fahrzeugelektrik hat, darf mich gerne fragen...

  • @ g33k0


    ich habe oben erwähnt das meine E-Kenntnisse nicht sehr prächtig sind. Mehr brauch ich ja nicht sagen.


    @ Charles


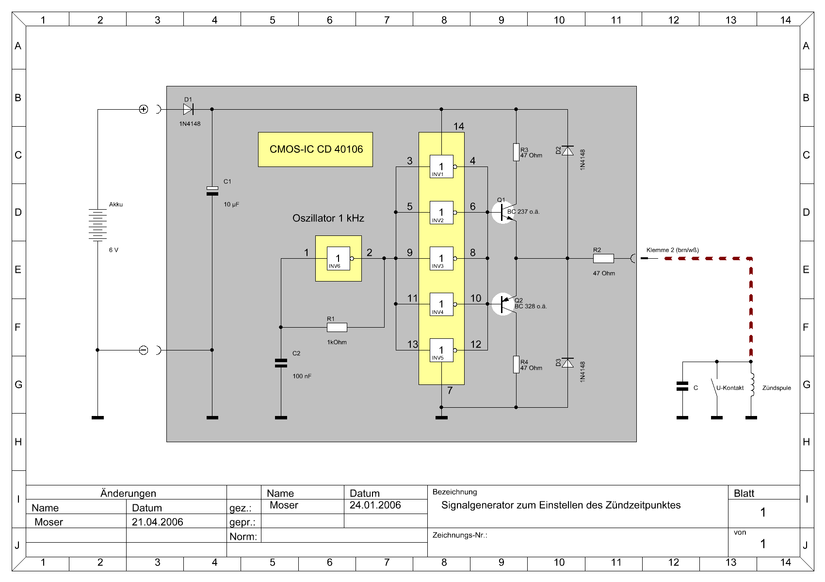
    schaltplan und stückliste sind im anhang. ich hoffe es funktioniert und man kann ihn öffnen..sonst schau einfach unter http://www.moser-bs.de
    dann unter simson. ist ganz leicht zu finden.
    schon mal danken
    :b_wink:

  • habe jetzt in der schule en kumpel gefunden der das ganze mit mir durchzieht..ich hoff wir kommen mit allem klar. bin aber trotzdem weiterhin offen für hilfestellungen....
    mfg simmiS50freak :b_wink:

    SimsonTuning is a crime!

  • also mal ehrlich gesagt..ich hab die schaltung noch mal überflogen..aber ich bin der meinung die kann gar nicht funzen....wie soll da was piepsen, also akkustisch? sind 2 transisitoren...2kondensatoren..en paar dioden und widerstände...und en IC....
    ok und jetzt?
    hat der herr moser vl einen fehler gemacht?

    SimsonTuning is a crime!

  • Mahlzeit!


    Auf der Seite steht die Erklärung:


    Zitat

    Dieser kleine Generator speist in die Primärspule eine Wechselspannung mit der Frequenz von ca. 1 kHz ein. Ist der Unterbrecherkontakt geschlossen, wird der Generator gegen Masse kurzgeschlossen. Öffnet er, schwingt die Primärspule mit der erzeugten Frequenz, was deutlich hörbar ist.


    Der Witz der Schaltung ist folgender:
    Die Primärspule der Zündung liegt parallel zum Unterbrecher und hat einen sehr kleinen Widerstand. Dieser läßt sich meßtechnisch nur schlecht vom geschlossenen Unterbrecher unterscheiden, also ist nix mit Batterie, Glühlampe und 3 Strippen.


    Verwendet man allerdings Wechselstrom, so setzt die Primärspule diesem einen höheren Widerstand entgegen als der geschlossene Unterbrecher. Jetzt kann man was messen bzw. die Spule schwingen hören.


    Man kann auch mit Prüflampe und Batterie einstellen, aber umständlicher:


    - Polrad ab, am Kondensator Kabel zur Primärspule / Zündspule abklemmen. Kabel zum Unterbrecher und nach draußen (zum Zündschloss / externe Zündspule) bleiben dran.
    - Polrad wieder drauf, braucht nicht ganz festgezogen werden. Braun-Weißes Kabel aus dem Motor vom Zündschloss oder externer Zündspule abklemmen.
    - Durchgangsprüfer (oder Batterie und Glühlampe in Reihe) zwischen Motormasse und braun-weißem Kabel anklemmen. Öffnen des Unterbrechers wird durch Ausgehen der Lampe angezeigt.
    - Zündzeitpunkt und Kontaktabstand einstellen, Unterbrecher und Grundplatte festziehen, Kontrolle etc.
    - Polrad wieder runter, Kabel zur Primärspule wieder am Kondensator anklemmen
    - Polrad wieder fest drauf, braun-weißes Kabel zum Zündschloss oder externer Zündspule wieder anklemmen
    - Fertig, aber dafür zweimal das Polrad demontiert.


    GlückAuf


    Mac Heba



  • Moin


    Kann ich auch eine andere Wechselstromquelle nehmen, z.B. einen Märklin-Wechselstrom Trafo (was sind das, vielleicht 4 bis 5V)? Muss noch ein Widerstand rein, dass die Spule nicht brutzelt oder nicht, denn Rspule ca. = 0.25 Ohm. U = R*I => U/R = I = 5V / 0.25 Ohm = 20A...


    mfg

Jetzt mitmachen!

Sie haben noch kein Benutzerkonto auf unserer Seite? Registrieren Sie sich kostenlos und nehmen Sie an unserer Community teil!