Beiträge von >Orange Arrow<

    Muss ich diese Werte im >Stillstand des Polrades messen oder wenn es sich bewegt?


    Habe nun alle im Stillstand gemesasen in den verschiedenen bereichen...


    Die Werte:


    2000k : 000
    200k : 00.0
    20k : 0,01
    2000(ohne k) : 0,15
    200(ohne k) : 15,0


    Ich hoffe ich habe die Werte richtig geschrieben, ich habe von jedem Bereich ein Bild und habe das nun daran abgelesen, jedoch ist es schwierig die Kommas zu sehen... :)


    Gruß


    OA


    Edit:


    Wie muss eigentlich das Steuerteil sein. 2 und 31 gehören ja zum Zündschloss, müssen die verbudnen sein damit es AN ist oder nicht verbunden damit es AN ist?

    WAs genau meinst du mit Geber?


    Sorry, in Sachen Zündung stehe ich ganz am Anfang :crying:


    Aber jeder fängt mal an ;)


    20ohm könnte stimmen, denn die Zahl 20 ist auch in einem anderen Gespräch darüber schon gefallen. Nur wusste ich nichts damit anzufangen :D


    Gruß
    OA :censored:

    Rot hat Saft, lediglich auf dem Blauen Kabel kann ich keine Spannung ermessen. Vllt erkennt es eben mein Spannungsmesser nicht. Muss mal mit so nem Strommesser der anzeigt wie viel rausokommt ranngehen. Meienr zeigt ja nur \"+\" u. \"-\" an.


    tacharo: Meinst du mit GP Grundplatte? muss mir dann erstmal nen Polradabzieher zulegen, damit ich rankomme. Oder meinst du einfach nur ein Teil des messgerätes an das Blaue Kabel und eins an Masse? Das habe ich gemacht, jedoch hat es wie gesagt keine Spannung angezeigt.


    Wie meinst du, soll ich jetzt messen?



    Gruß
    OA

    Mh, also:


    Habe nun nochmal alle Spannungen gemessen, auf dem Blauen kabel aus der Zündung,. ich glaube NR 3, ist keine Spannung. Vllt liegt es daran, dass mein messgerät das nicht prüfen kann. Werde mir mal nen Strommesser besorgen.


    Wenns an dem liegt, weiss ich ja das problem.


    Auf dem Anschluss 15 der Steuerteinheit habe ich jedenfalls kein Strom.


    Gruß
    OA

    Hallo Community!


    Ich bin kurz vorm Verzweifeln


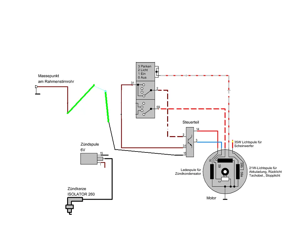
    Ich habe den Motor eines SR 50 und die zündung will einfach nicht. Ich habe ja eine E-Zündung(EMZA). Habe heute nun mal Strom gemessen, ein teil des Messers an Masse und den anderendan Kabel Nr14(rot aus der Zündung kommend). Ich hatte auf dem messer + und - angezeigt, steht soweit ich weiss für wechselstrom. Soweit so gut. Als ich dann alles angeschlossen habe, nur statt dem kabel 15 von der Spule an die Steuereinheit ein Teil des Messgerätes an Anschluss 15 der Einheit gehoben habe, den anderen teil wieder an masse, hatte ich kein Licht mehr. Heisst das nun, mein Steuerregler(oder wie auch immer) ist hinüber? Wäre toll, denn ich weiss echt nichtmehr was ich amchen soll. Habe auch mal ne skizze dazu gemacht.


    Also wie gesagt, es ist kein Strom zu erkenne, wen man es so amcht wie auf der Skizze!


    Wäre über antworten sehr dankbar.


    gruß


    >OA< :confused: [c=#00bfff][/code][c=#00ff00][/code][c=#1bff00][/code][c=#5bff00][/code]