Habe den Luftfilter nach LT umgebaut, mit 40er Loch und Rohr zur Geräuschdämmung. Dazu 19er BVF, AOA2 und Vape. Das Ding läuft bombig.
Beiträge von fabes
-
-
Danke für eure Hilfe. Habe vorhin die Kabel begutachtet, verfolgt und nun wieder korrekt angeschlossen. Läuft alles, und Qualm gabs diesmal auch nicht.
Einige Kabel sind wirklich im Sack, hab mit Isolierband das beste versucht, werde demnächst allerdings mal bisschen was erneuern. Sicherung ist im kleinen Sicherungskasten, richtig. "Brandspuren" konnte ich keine finden, sehr komisch. Auch nicht am und hinterm Zündschloss.Anschmeißen konnte ich den Motor leider noch nicht, da ich morgen erst die Mutter fürs Antriebsritzel besorgen kann. Aber jetzt schonmal vielen Dank an tacharo, werde nochmal ausführlicher berichten wenn ich ihn gefahren bin.

-
Hab den Motor heute von tacharo bekommen und jetzt wieder eingebaut... hüte mich aber irgendwie vorm "Verkabeln".
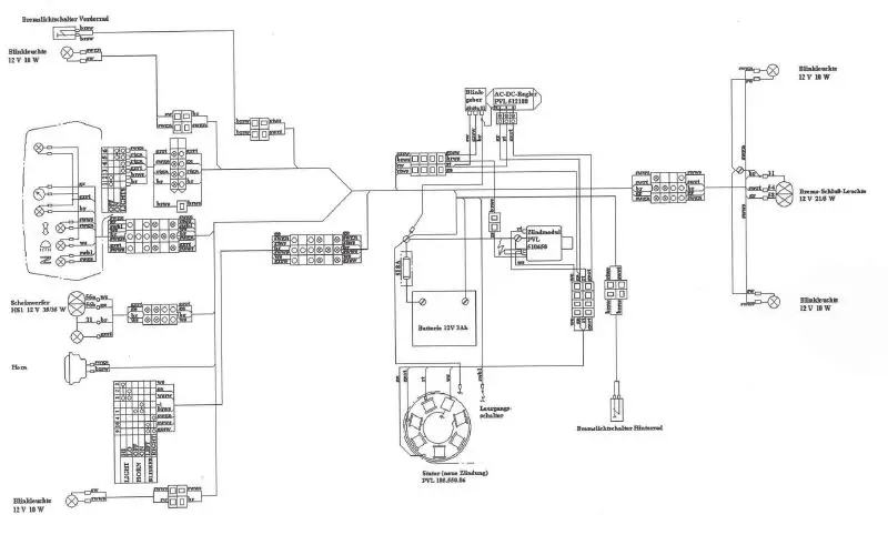
Im Herzkasten konnte ich auch nach mehrmaligem Schauen keine "Brandspuren" finden.Hier mal ein Bild, sagt mir mal bitte wo das Zeug hin gehört.
Ich hoffe die AA ist nicht im Sack.Schöne Ostern!
-
Die beiden Schaltpläne hatte ich noch auf der Platte, such dir einen aus

-
Fahre das Ding seit 5000km mit 19er BVF, Filu+40mm Loch im Herzkasten, AOA2 und 90er HD... Kerze ist top und das Möp läuft einwandfrei, hätte nie so viel Leistung von dem Ding erwartet... und das ohne auch nur ein Verschluckerchen oder irgendwas. Läuft einfach perfekt... kann den Zylinder also nur loben!
-
Habe halt kein einziges Kabel umgesteckt, nur das vom Polrad, bzw. die Steckverbindung abgemacht. Dabei sind die Stecker von Batterie abgegangen und paar einzelne andere, wie Bremslicht und Alarmanlage. Konnte halt auch wirklich nichts verschmortes erkennen, und die Sicherung im Sicherungskasten sieht auch noch gut aus. Mega komisch.
-
Hi,
habe vorhin meinen Motor ausgebaut und wollte das Kabel vom Polrad im Herzkasten lösen. Die Zündung war aus, ich habe in den Kabeln rumgewühlt um die Steckverbindung zu lösen und dabei hats irgendwann mal kurz gezischt und bisschen sehr gequalmt. War das nur eine Sicherung? Wie kann das passieren mit ausgeschalteter Zündung? Was könnte sonst in Frage kommen? Hab leider keine Spuren an Kabeln etc feststellen können und kenne mich null mit Elektrik aus, wurde mir sonst immer gemacht. Verbaut habe ich eine Vape und eine Gelbatterie, dazu ist noch Alarmanlagen Zeug im Herzkasten, der aber noch nicht vollständig angeschlossen ist.
Viele Grüße,
fabes -
Hatte Zinkspray verwendet, Zylindee sah hinterher aus wie jeder andere... inzwischen ist er dazu aber (nach 5k km) extrem verdreckt, also alles safe

-
also moped ist nahezu unversehrt... bis auf zündschloss und blinker... ist aber verkraftbar

-
wurde gefunden, polizei hat es in chemnitz vor einer Haustür gefunden, soweit wohl unversehrt... bei dem typ wird auf jeden fall mit einem schlagtrupp eingerückt
vielen dank!!! -
Danke dir... habe schon bei Facebook in sämtlichen großen Gruppen gepostet... na mal hoffen...
-
MOPED IN CHEMNITZ GESTOHLEN
Hi Jungs, das Moped eines Kumpels wurde in der Nacht vom 20. auf 21.09. in Chemnitz, Kapellenberg, Stollberger Str. gestohlen. Es handelt sich um eine fast originale S53 in weinrot. Bis auf Auspuff, Spiegel und vorderes Schutzblech, ist alles im Originalzustand. KENNZEICHEN: UZR 645
Hinweise bitte an: [email protected]
