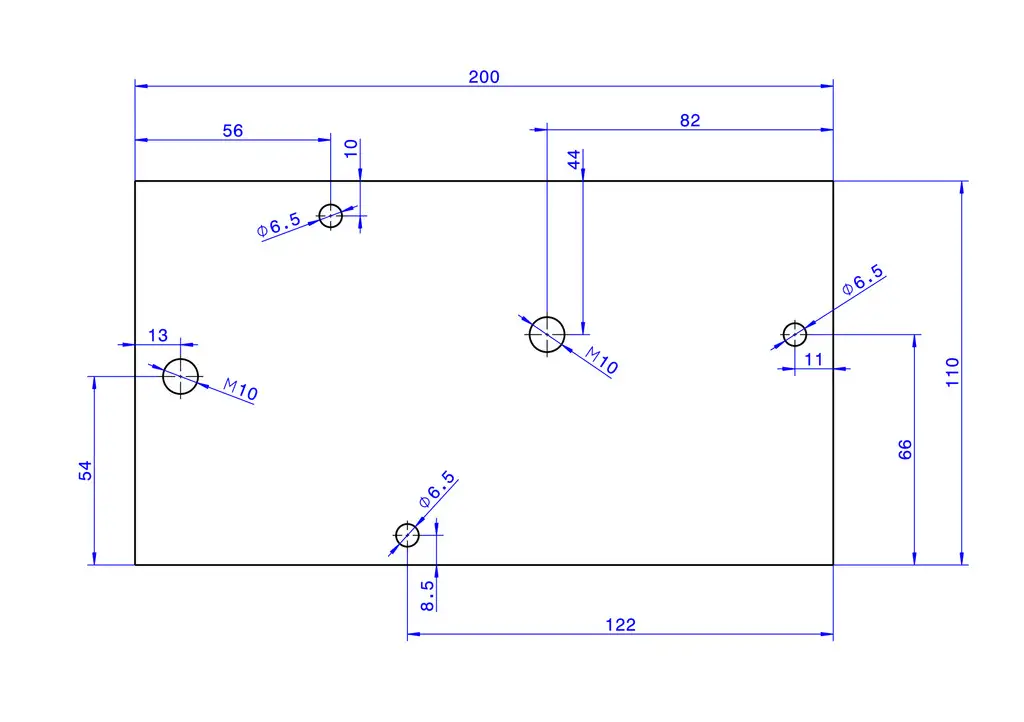
gibt es irgendwo Zeichnungen für den aus dem lehrvideo ? ich habe gelesen das man bei anderen den motor teilweise wieder ausspannen muss!stimmt das?
am besten wäre es wenn man ihn komplett im Bock regenerieren könnte!
Willkommen! Melde dich an und mach mit – schreiben, antworten, austauschen.
Jetzt registrieren
gibt es irgendwo Zeichnungen für den aus dem lehrvideo ? ich habe gelesen das man bei anderen den motor teilweise wieder ausspannen muss!stimmt das?
am besten wäre es wenn man ihn komplett im Bock regenerieren könnte!
geh mal auf mutschy.de dort findest du ne pdf zum downloaden
ja aber eben von der wurde auch abgeraten weil man da bei eine schritt den motor angeblich ausspannen muss !
...im http://www.simson-moped-forum.de gibt es mehrere threads aber da komm ich nie rein weil ich meinen benutzernamen nicht mehr weiß ![]()
gute zeichnungen zu den anderen spezialwerkzeugen wären übrigens auch bombig!
also welche nach denen man auch was nachbauen kann! und nicht studiert haben muss ![]()
An der Zeichnung für den Montagebock hätte ich auch Interesse!
Ich auch ![]()
google hilft da ungmein. "simson montagebock) da findet man auch die aus diversen foren (in der bildersuche dann natürlich). dann natürlich anklcken "bild in vollgrösse"
und ohne wissen wie man eine technische zeichnung lesen muss, kann man das selberbauen eh gleich vegessen.
naja hier( http://www.simson-moped-forum.de/viewtopic.php?t=16449 ) sind ja bilder aber die kann man nur sehen wenn man angemeldet ist! also die zeichnungen hab ich dort her aber die bilder kann ich nie sehen!
und ich weiß wie man eine technische zeichnung lesen muss aber es gibt da ja manchmal so überkomplizierte!
lesen hilft da ungemein. du findest die zeichnungen in der goolgleBILDERSUCHE. und wenn du dann rechts an der seite "bild in vollbild" anklickst dann siehst du die, auch ohne anmeldung. oder du nimmst die schwierige anmeldung dort, und lädst sie dann eben dort runter.
oder du fragst jemand anderes der dort angemeldet.
hier der link zu den skizzen: (ohne anmeldung)
http://www.qpic.ws/images/28082011634fgf.jpg
http://www.qpic.ws/images/28082011635zzz.jpg
http://www.qpic.ws/images/28082011637oqo.jpg
bilder in einer galerie
danke aber es war schon jmd.so nett und hat sie mir per pn geschickt!
Sie haben noch kein Benutzerkonto auf unserer Seite? Registrieren Sie sich kostenlos und nehmen Sie an unserer Community teil!