Chris.Ha´s Aufbau - Thread - was war, was ist, was kommt

Willkommen! Melde dich an und mach mit – schreiben, antworten, austauschen.
Jetzt registrieren

  • Meine Teile sind endlich vom Pulvern wieder da und langsam fängt es an, wie ein Roller auszusehen.
    Außerdem hab ich die Batterieaufnahme etwas umgebaut, da mir diese zu unflexiebel war.
    Es konnte immer nur eine spezielle Batteriegröße verbaut werden, da die untere Batterie gleichzeitig für die Obere die "Stütze" war. Ich hab mir ein gestell einfallen lassen, wo ich jetzt flexibel in Sachen Batteriegröße bin.


    Hier die Originale Bauweise:



    Deutlich rechts zu sehen: Der schwarze Block, der für die obere Batterie die rechte Ablagefläche darstellen soll. Links hätte dann die untere Batterie die gleiche Höhe wie der Block und würde so mit dem Block die Abstellfläche der oberen Batterie bilden.


    und hier meine Konstruktion:



    Der Block liegt im Grunde nur auf dem Rahmenblech auf, ich habe zusätzlich eine Arretierung an diesen angebracht. Diese hakt sich dann in das vorhandene Loch des Luftfilterkastens (den das E-Modell ja nicht hat) ein.


    Das fertige Konstrukt:



    Und zu guter Letzt, der aktuelle Stand des Aufbaues:


    Das vordere Schutzblech ist bei SR-E eigentlich weiss, gefällt mir aber gar nicht - schon deswegen, weil das hintere Schwarz ist. Deshalb habe ich mich für das originale Schwarz entschieden.


  • Ein Spezi, der mit Arduino, Rashberry usw. umgehen kann, könnte dir beim Fahrtregler wahrscheinlich eher weiterhelfen als dass du einen findest (kann ich mir zumindest vorstellen ;) ).


    @crazyEMOD ? :D

    Einmal editiert, zuletzt von ColonelSandfurz ()

  • Hey cool, ja die brauche ich wirklich. Mein größtes Problem ist momentan die Blechverkleidung die den Tank ersetzt. Wäre cool wenn Du da sowas wie eine 3D Skizze mit Bemaßung für mich hättest (wenns nicht zuviel Arbeit macht). Zwar werde ich die Verkleidung etwas abändern, aber einige Maße bleiben erhalten.


    Grüße Christian

  • Schickst mir am besten mal deine Adresse. Hab momentan sehr wenig Zeit für Privates. Ich hab das Teil jetzt eingepackt und würde es dir gegen 6EUR Versandkosten zuschicken, sodass du dir die Maße selbst nehmen kannst. Bringt dir wahrscheinlich eh mehr.


    Wenn du dann fertig bist, wäre es schön, wenn du es dann wieder zurückschickst.


    Grüße

  • Hallo Leute,


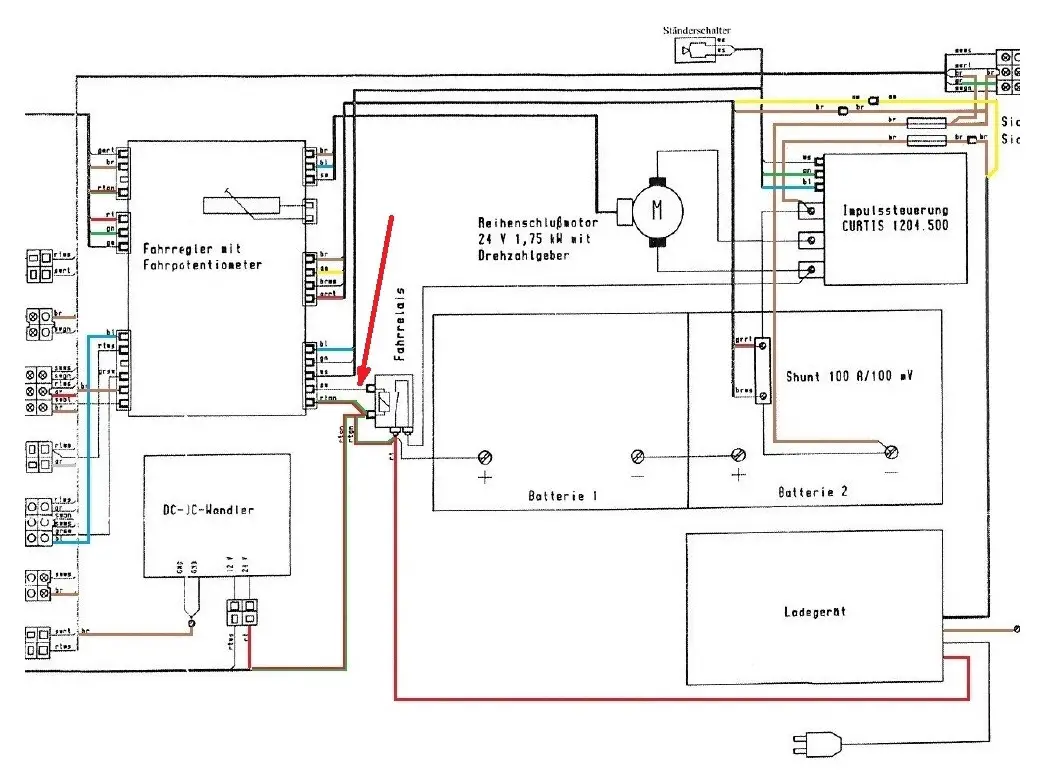
    ich habe hier auch einen Gamma E stehen. Der hat das Problem, dass der Hauptschütz nicht über den Fahrregler anzieht. Der Fahrregler soll ihm laut Plan die Masse zuschalten (Plus liegt direkt an). Wenn ich die Masse direkt drauf gebe, zieht der Schütz und der Antrieb funktioniert. Habt Ihr eine Idee, wie man den Fahrregler prüfen kann - gibt's eventuell einen Plan von dem Regler? Hab mal nen Planauszug angehängt.
    Danke im Vorraus.
    Marco

  • Kleines Update meiner "050SC":


    Ich hatte vor kurzem das Glück, einen super seltenen KAT Auspuff für die Sperber 50 "Beach Racer" Modelle ab Bj. 2001 zu bekommen. Ich dachte immer, die gabs nie im Handel, aber scheinbar sind doch irgendwie welche zu den Händlern gekommen. Im Grunde baugleich mit denen der späteren 050TS, nur ist die hintere Auspuffaufnahme unten und nicht oben.


    simson_sperber_50tnsdu.jpg


    Prospektbild Sperber 50 mit KAT Auspuff



    Da der Sperber 50 aber die Beta Verkleidung hatte und somit keine hintere Haltung für ein Hitzeschild, zweckentfremdete und modifizierte ich einfach eine Auspuffschelle von der TS150 - eine Schelle von der Simson passt dort nicht, da der Auspuff 80mm dick ist.


    Als Hitzeschild kam ein originales der 050SC zum Einsatz, dieses musste ich hinten etwas anpassen bzw. kürzen.


    Auch musste der kürzere "60kmh" Krümmer der längeren "50kmh" Variante weichen.



    Hier ein paar Impressionen:



    20171223_171701lrsbu.jpg 20171223_171707htse7.jpg 20171223_171849ius9a.jpg 20171223_1719163jsfz.jpg 20171223_17435754s7d.jpg

  • SR Gamma E Nr. 62 Restauration
    Hallo Zusammen,
    mit großem Interesse habe ich den Beitrag über die Auferstehung einer Gamma E verfolgt. Ich selbst bin vor kurzem durch Zufall zu so einem seltenen Stück (Nr. 62) gekommen und möchte diese im Original wieder herrichten. Teilemäßig ist der Roller komplett, wenn auch das Eine oder Andere reparaturbedürftig ist. Aber das soll ja alles gemacht werden. Leider habe ich zu dem Roller ausser der BE keinerlei Unterlagen oder Pläne bekommen. Und wie die Situation damit auch im Netz aussieht wisst Ihr ja selbst am besten. Es gibt schlichtweg nichts. Wer kann mir eventuell mit den nötigen Unterlagen weiterhelfen? Gern stelle ich Euch Fotos und eine Doku der Restauration vom Roller zur Verfügung, mehr habe ich ja momentan leider nicht zu bieten.
    Würde mich sehr freuen wenn Ihr mir weiter helfen könntet.

  • Gruß dich,
    schön, dass sich wieder einer gefunden hat.


    Simtex und ich können dir bestimmt weiterhelfen mit Schaltplänen, Bildern etc.
    Meld dich einfach mit dem was du genau brauchst.


    Beste Grüße

  • So, heute gings mal am SR-E weiter...
    Nachdem ich weit und breit keinen Metaller finden konnte, der in der Lage ist, mir das Mittelteil ansatzweise nachzubauen, hab ichs selbst in die Hand genommen...
    Leider hatte ich keine Möglichkeit, die Rundungen vorn einzubringen, aber eckig sollte es auch ganz gut aussehen.


    Hier mal die Rohform...


Jetzt mitmachen!

Sie haben noch kein Benutzerkonto auf unserer Seite? Registrieren Sie sich kostenlos und nehmen Sie an unserer Community teil!