Zündschalter der S51 auf neue Schaltfunktion umbauen?

Willkommen! Melde dich an und mach mit – schreiben, antworten, austauschen.
Jetzt registrieren

  • Ursprünglich war es von SR nicht vorgesehen am Moped zu laden, man nimmt den Akku mit in die Wohnung oder zieht das Kabel vom Moped an den Akku ab und steckt das Ladegerät von unten an den Sitzbankakku.

    Ich habe mir eine Ladebuchse in den Herzkasten gebaut, wo ich parallel auf den Powerstrang am Controller gehe. Ich gehe sogar einen Schritt weiter, habe ein Ladegerät im rechten Herzkasten dauerhaft angeschlossen und stecke nur den Netzstecker zum Laden an.

    Getrenntes Entladen der Akkus habe ich nicht vor, weil mir der Parallelbetrieb sehr wichtig ist. Es ist fast schon der Hauptgrund für einen zweiten Akku: ich will den Sitzbank-Akku entlasten, damit dieser nicht warm wird und drosselt, und auch weniger durch starke Last altert.

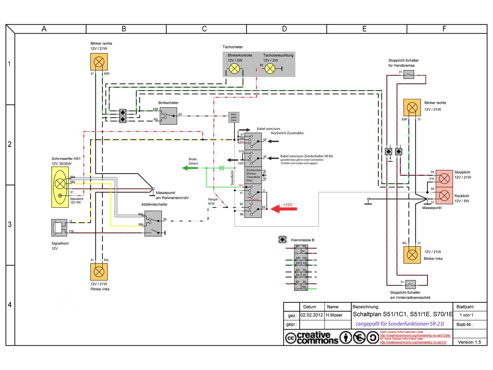
    Ich habe nun den Simson Zündschalter zum Umbauen bekommen. Und wie ich schon gewarnt wurde, einfach ist es nicht. Aber nach langen Kopfzerbrechen stecke ich mitten im Umbau. Details dazu später, wenn das Expoxidharz ausgehärtet ist und hoffentlich alles funktioniert. Sieht so aus, als bekomme ich all meine Anforderungen erfüllt. :)

    Einmal editiert, zuletzt von M_i_c_h_a ()

  • Ich hatte nichts vom getrennten Entladen geschrieben. Das beide Akkus parallel belastet werden, hattest du ja erwähnt.


    Beim Laden kannst du entweder die Akkus im Wechsel oder gleichzeitg laden. Ich hoffe, dass das verwendete Ladegerät nicht überlastet wird, wenn du beide Akkus parallel lädst. (ist es stabilisiert - Kein Thema)

    Bleibt aber die Frage, ob du die BMS entsprechened der Akkus dann parallel oder separat ansprechen würdest.


    Beim Parallel-Laden mußst du ja beide BMS parallel aktivieren.


    Nur lädst du vorm Controller, schaltest du auch den DC/DC-Regler als auch den Controller scharf.

    Solange du lädst, würde ich also Brake-Detect aktivieren und die 12V-Versorgung ausschalten.


    Und du müsstest beide Akkus und die BMS dauerhaft parallel schalten oder den 2. Akku und das BMS dessen beim Starten der Zündung dann dazuschalten (Nur würde mir jetzt kein Hochleistungsrelais dazu einfallen, mit dem das anhand der vermuteten FAhrströme klappen würde (über 40 A Schaltleistung)).

    Gruß Frank


    :kopfkratz: Was ist eigentlich Elektrizität? :kopfkratz:


    Morgens mit Hochspannung aufstehen,
    mit Widerstand zur Arbeit gehen,
    den ganzen Tag gegen den Strom schwimmen,
    abends geladen nach Hause kommen,
    an die Dose fassen
    und eine gewischt bekommen!


    :a_bowing: DAS ist Elektrizität! :a_bowing:
    :whistling:

  • Ah, ja, ich verstehe, Du meintest ein getrenntes Laden mit Umschalter. Das ist zum Glück nicht nötig und würde das Handling komplizieren.

    Das Laden ist recht unkompliziert, das Ladegerät liefert konstant 10A und ihm ist es egal, was dran hängt. Es hebt die Spannung an bis 10A fließen und wenn's bei 84V angekommen ist bleibt die Spannung konstant, der Strom sinkt. Eine Kommunikation mit dem BMS gibt es nicht. Die Akkus und das Ladegerät hängen einfach nur mit Plus und Minus parallel. Es ist sogar so, dass die BMS von allein das Laden freischalten, wenn eine erhöhte Spannung von außen anliegt, der Keyswitch muss nicht geschaltet werden. Das BMS deaktiviert die Akkus wenn sie voll sind.

    Ja, beim Laden werkelt der DCDC-Wandler und liefert 12V, doch über den Simson-Zündschalter gibt es keine Freigabe des Brake Detect. Das ist schon oben (#3) im Plan so und läuft prima.

  • Der Schalter ist umgebaut, zusammengebaut und gleich mal noch stabil verdrahtet, was so an fixen Verbindungen machbar war.

    Hier ein paar Fotos zur Dokumentation, was so geht. Ich hatte noch einen kaputten Schalter zum Ausschlachten da.


    Hier wurde ein Kupferblech entfernt und das zweite versetzt. Ein Schalter von einem anderen Zündschloss wurde eingesetzt und verschraubt.


    Hier kam ein Schalter dazu, der sich ein Befestigungsloch mit dem darunter teilt. Ich habe 2-K-Kleber ins Loch gefüllt, eine kurze Schraube als stabilen Kern eingesetzt (so kurz, dass sie die gleiche Schraube von der anderen Seite nicht berührt). Noch etwas Kleber um die Schraube zur Verstärkung. Das ganze mit etwas Backpapier und einer Zange während des Aushärtens fixiert.


    mit dem Dremel ausgearbeitet


    vor dem finalen Verkleben mit 2-K-Kleber




    Der fertige Zündlichtschalter mit Teilverkablung.

  • Na dann ist doch alles Bestens, wenn die Akkus unkompliziert zu laden sind.


    Zum Zündschloß: Hauptsache es gibt dann keine Spannungsüberschläge zu anderen Ebenen, wenn die 72V anliegen.


    Toi-toi-toi, dass nachher alles so funktioniert, wkie du es dir gedacht hast.

    Gruß Frank


    :kopfkratz: Was ist eigentlich Elektrizität? :kopfkratz:


    Morgens mit Hochspannung aufstehen,
    mit Widerstand zur Arbeit gehen,
    den ganzen Tag gegen den Strom schwimmen,
    abends geladen nach Hause kommen,
    an die Dose fassen
    und eine gewischt bekommen!


    :a_bowing: DAS ist Elektrizität! :a_bowing:
    :whistling:

Jetzt mitmachen!

Sie haben noch kein Benutzerkonto auf unserer Seite? Registrieren Sie sich kostenlos und nehmen Sie an unserer Community teil!