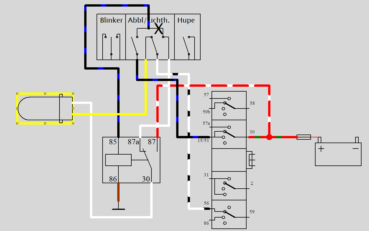
Relais im HS1 Gehäuse,Lichthupe
Willkommen! Melde dich an und mach mit – schreiben, antworten, austauschen.
Jetzt registrieren
-
-
blaumeise: beide Vorschläge sind das selbe Prinzip. Nur beim 2. Post habe ich das Problem mit der Brücke im LH-Taster zum Fernlicht aufgegriffen, was ich zuvor nicht berücksichtigt hatte...
Stimmt, es muss ja immer im Falle eines Falles noch das Abblendlicht aus. Und das braucht bei 2 Stromkreisen immer ein 2. Relais, bzw. 2. kontakt. -
Ein einfacher Wechsler reicht hier aus, um das Fernlicht von AC auf DC umschalten zu können.
Wenn du auf AC Abblende bist, schaltet du mit dem Relais nur die Fernlicht-Phase kurzzeitig zum Abblendlicht dazu (Weil DC ja über Batterie läuft, Kannst du beides (Abblende/Fern) benutzen.
Schaltest du aber das normale Fernlicht ein, so läft es auf AC.Das ist nur eine Sicherheitsschaltung, um die LH mittels Batteriestrom einspeisen zu können.
Schaue doch mal bei den Motorrollern, wie es da gelöst wird...

-
Aber das Abblendlicht muss aus...
-
Wieso muss das Abblendlicht aus?
Beim Auto muss auch nichts ausgeschalten werden, wenn die LH betätigt ist. Auch bei den Rollern ist es so, dass DC-LH parallel zu Abblendlicht dazugeschalten werden darfDass du kein AC-Abblendlicht und keine AC-LH nutzen kannst, liegt an der zu geringen Lichtleistung der aten Simson-Lichtspulen. (Da war es ja so geklemmt, dass bei eingeschaltetem Licht es nicht möglich war, die LH zu betätigen)
Da später es hieß: es kann eine LH verbaut sein, ist aber für Mopeds nicht gefordert, ist die LH weggefallen.
Ich könnte dir Als Beispiel auch mal einen Roller-Schaltplan verlinken, wo auf AC-SW eine DC-LH schaltet... nur müsste ich dann den Roller (50ccm) raussuchen.
Da finde ich den Kymco S9 LC50 oder den Kymco People S50 4T...
http://www.kymco.it/media/sche…ti/Super%209/impianto.pdfPS: bei diesen beiden Rollern ist die LH mechanisch verriegelt:
Das heißt für den Abblendschalter, dass er um eine Tastfunktion erweitert wurde, welche vom Abblendlicht aus entgegengesetzt zum Fernlicht getastet werden muss, damit die DC-Lichthupe funktioniert: LH <- DC -> Abblende <= AC => Fernlicht
Durch die entgegengesetzte Schaltfunktion ist die Fernlichtphase mit AC oder DC betreibbar, ohne dass es einen Kurzen gibt. -

Ohmanno,
das mit beiden Lampen gleichzeitig ist ja garnicht wirklich ein technisches Problem...ich Depp hab immer gedacht, es darf nur eine von beiden an sein, aber du hast natürlich Recht, @DUO78 !
Das krieg ich hin, kein Problem. Werde dann auch mal was für alle zeichnen...Aber während der Fahrt hab ich heute getestet, das geht auch so ganz gut
Aber jetzt wieder alles umbauen...ach, ich hab ja Zeit 
-
Das must du jetzt wissen: Lassen oder doch noch einmal neu stricken...

Solange die Motordrehzahl stimmt, geht die LH ja zügig an... - Aber wenn du die LH auf Batterie klemmst, dann reicht auch Standgas (solange die Batterie voll ist).
(Schaue mal 3 Beiträge nach oben! Ich habe dir schon Arbeit abgenommen!
)
Jetzt mitmachen!
Sie haben noch kein Benutzerkonto auf unserer Seite? Registrieren Sie sich kostenlos und nehmen Sie an unserer Community teil!