Laut schaltplan soll 5,5ah eingebaut werden...
Hab eine 6ah drinn
Laut schaltplan soll 5,5ah eingebaut werden...
Hab eine 6ah drinn
Hab das Problem, das das Starterritzel vom Anlasser nicht langgenug ausgefahren bleibt!
Halt nur kurz, dann fährt es zurück in Grundposition...
Worann könnt das liegen? Dickere Kabel? Rrlais defekt?
Habe die gleichen Probleme!
Hast du eine Lösung gefunden??
Gruß Silv
Hab das gleiche Problem!
Hast du eine Lösung gefunden?
Gruß
"Ja genau, das rücklicht soll erst in stellung 2 angehen!"
Nach dein aktuellen Schaltplan, musst du das Kabel am 3-Brücke vom Rücklicht (grau) abziehen und an Klemme 58 machen.
Tacholicht auch auf die 58, dann haste quasi gleich eine Kontrolle, das das du das Rücklicht aus bzw. angeschalten hast.
Ok dann werd ich das machen! Danke!
@Silv1988: du hast nicht ernsthaft noch die unterbrecherzündung drin, oder?
oder hat der star diese komische "verdrehte" grundplatte, wo man die e-zündung aus der schwalbe nicht eingesetzt bekommt?
Ja U-zündung! Verrichtet seit jahren super ihren dienst! Deshalb bleibt die erstmal.
Hab noch eine E-Zündung liegen..... Zur not wird getauscht
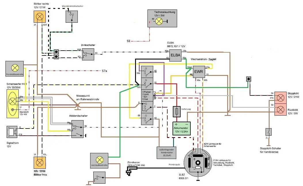
Hier mal mein aktueller stand!
Ja der star ist im prinzip wie eine s51c verkabelt inkl. Elba und ewr, halt 12v spulen auf der grundplatte, frontlicht ist eine hs1 drinn!
Funktioniert auch alles soweit!
Ja genau, das rücklicht soll erst in stellung 2 angehen!
Was ich halt noch ändern werde.... Weil momentan brennt es immer!
denke ist besser dann das graue kabel auf 58 zu legen.
59ab war kein saft drauf, weil unten an der grundplatte ein Lötpunkt nicht gut war... (Ist aber behoben, stopplicht funktioniert nun! )
Mein aktuellen Schaltplan hab ich mal angehängt
Hi, hatte erstmal so verkabelt wie DUO es auf seite 1 geschrieben hatte, funktioniert auch fast alles so wie ich es will!
Einziges problem:
Am zündschloss vom star hab ich keine 57, wo eigentlich die batterie drann soll!
Da bin ich etwas ratlos!
Aber theoretisch könnte ich die das batterieplus (mit sicherung zwischen) mit auf die 58 klemmen oder?
Desweiteren hab ich keine Spannung momentan auf 58 und 59ab(EWR)
Vielleicht hast da noch eine idee.
Deine Lösungsansätze klingen auch gut, werde ich mir mit schaltplan nochmal durchn kopf gehen lassen und vllt eine möglichkeit umsetzten!
Sorry das ich den treath auskramme.... Sufu halt benutzt ![]()
Hast du für die Geschichte mit dem 4poligen Schalter einen Schaltplan? Bzw einen selbst gezeichnet?
Gruß
Hab auch einen an der s51 (vape) drann am weißen Kabel einfach mit angeschlossen.....
Tät mich auch interessieren wie du das bei dir war, da am star auch noch sowas vor hab
Welcher sockel? Hast ein Bild davon?
Hab nen star mit 6v unterbrecherzündung und der schlägt in hohen Drehzahlen auch fehlzündungen raus.....